EasyManua.ls Logo

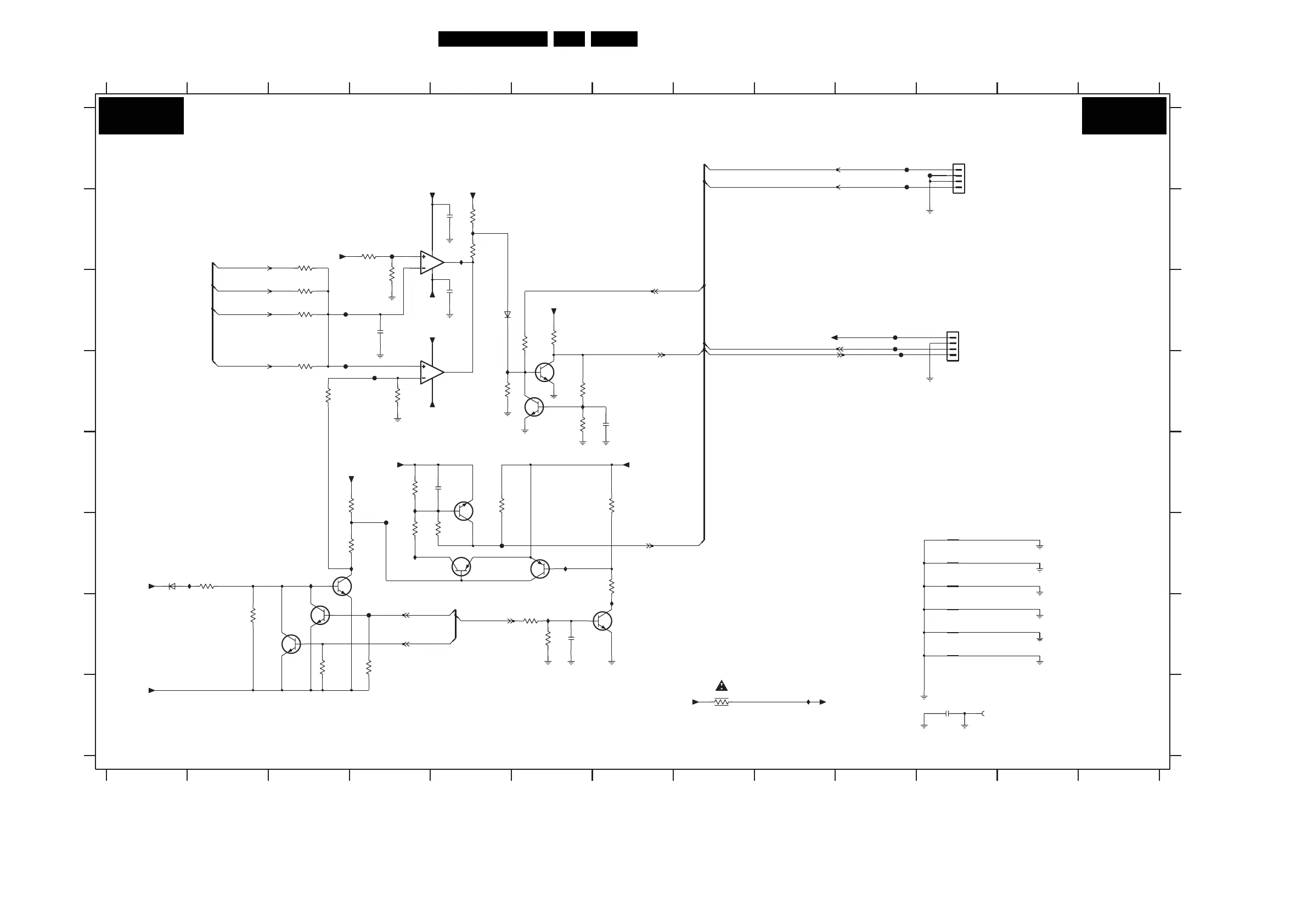
Philips 32PFL9432/98 - AP2 B Audio: Protection;Mute Control

Philips 32PFL9432/98
215 pages
Print Icon
To Next Page IconTo Next Page
To Next Page IconTo Next Page
To Previous Page IconTo Previous Page
To Previous Page IconTo Previous Page
Loading...
Circuit Diagrams and PWB Layouts
97Q528.1A LA 7.
Audio & AL Supply Panel: Protection
IDF2 B5
IDF4 D5
IDF5 F4
IDF7 D6
IDF8 E4
IDF9 F6
IDG0 G7
IDG1 G6
IDG5 F3
IDG6 F2
IDG7 F4
c001 F11
c002 F11
c003 G11
c004 G11
c005 G11
c006 F11
7DF4 D6
7DF5 G7
7DF6 F6
7DF7-1 B4
7DF7-2 C4
7DF8 E5
7DH1 G3
FD02 C10
1738 SSB
TO
AUDIO: PROTECTION / MUTE CONTROL
FD03 C10
FD04 A10
FD05 A10
FD06 A11
FD07 D10
FD08 C3
FD09 G4
FD14 D3
FDG2 D4
FDG3 F5
FDG4 F4
FDH7 B4
IDE2 H9
IDE3 B5
3DG7 F7
3DG8 D6
3DG9 D6
3DH0 C6
3DH1 C6
3DH2 F4
3DH3 B3
3DH4 E4
3DH5 E7
3DH6 E3
3DH7 F5
3DH8 C3
3DH9 G3
6DF0 C5
6DF1 F1
7DF0 G3
7DF1 F4
7DF2 F5
7DF3 D6
3DF7 D3
3DF8 D4
3DF9 D5
3DG0 F2
3DG1 G2
3DG2 F3
3DG3 E5
3DG4 G4
3DG5 G6
3DG6 G6
1738 C11
2DD2 D7
2DD4 G6
2DD7 E5
2DF0 C4
2DF2 B5
2DF3 C5
2DF9 H11
3DD0 H8
3DD3 B5
3DF2 C3
3DF3 D3
3DF4 B4
3DF5 C4
3DF6 B5
345678910
1737 A11
8 9 10 11 12 13
12
B
C
D
E
F
G
H
0002 H12
TO
1735 SSB
1234567
+12-15V
11 12 13
A
B
C
D
E
F
G
H
A
BC857BW
7DF6
47K
3DG7
IDG5
3DH6
2K2
GND-L
3DH8
220K
BC847BW
7DF3
5K6
3DF6
FDG4
3DH3
220K
IDF7
220K
IDG1
IDG0
3DF3
GND-L
+3V3-STANDBY
FD09
100K
IDG7
VP1
+12-15V
3DH7
6DF0
FD05
BAS316
FD07
3DF4
47K
IDG6
1
+3V3-STANDBY
4K7
3DG0
0002
GND screw
100n
2DF2
22K
3DG9
3DF9
47K
7DF4
BC847BW
GND-L
+3V3-STANDBY
3DH5
47K
10K
3DG1
FD14
GND-LSW
FD06
GND-L
1u0
2DF0
FDG3
VP1
3DG6
47K
GND+3V3
GND-L
BC847BW
7DF8
FD03
GND-L
FD02
FD08
4
2K7
3DF5
LM393PT
5
6
7
8
c002
GND-SA
7DF7-2
c004
2DF9
-12-15V
GND-L
10n
2K2
3DH1
GND-L
IDE2
2DD2
10n
3DF2
-12-15V
220K
47K
3DH0
FDH7
IDF5
2
3
4
GND-SA
BZX384-C18
6DF1
B4B-PH-K-K
1737
1
2K7
3DF8
3DG5
GND+3V3
c005
47K
3DH9
2K2
GND-L
2DF3
100n
7DF5
BC847BW
c003
GND-L
3DD3
22K
1n5
2DD4
IDE3
GND-L
3
2
1
8
4
7DF7-1
LM393PT
+12-15V
-12-15V
GND-L
10K
3DG8
+12-15V
IDF4
IDF9
IDF2
IDF8
3DG3
47K
FD04
47K
3DG2
7DF1
BC847BW
GND-L
33K
3DH4
3DH2
47K
10R
3DD0
3DG4
2K2
GND-SA
GND-LL
BC847BW
7DF0
c001
BC847BW
7DH1
7DF2
BC857BW
+12-15V
GND-L
47K
3DF7
B4B-PH-K
1
2
3
4
VP1
GND-LR
1738
c006
FDG2
100p
2DD7
CPROT
GND-L
-12-15V
MUTE
-SUB-SPEAKER
+SUB-SPEAKER
CPROT-SW
SOUND-ENABLE
AUDIO-PROT
AUDIO-L
AUDIO-R
LEFT-SPEAKER
RIGHT-SPEAKER
AUDIO-PROT
SOUND-ENABLE
SOUND-ENABLE
AP2B AP2B
H_16801_121.eps
300807
3104 313 6193.3

Table of Contents

Related product manuals