EasyManua.ls Logo

Philips 32PFL9432/98 - AP2 A Audio: Left; Right

Philips 32PFL9432/98
215 pages
Print Icon
To Next Page IconTo Next Page
To Next Page IconTo Next Page
To Previous Page IconTo Previous Page
To Previous Page IconTo Previous Page
Loading...
96Q528.1A LA 7.
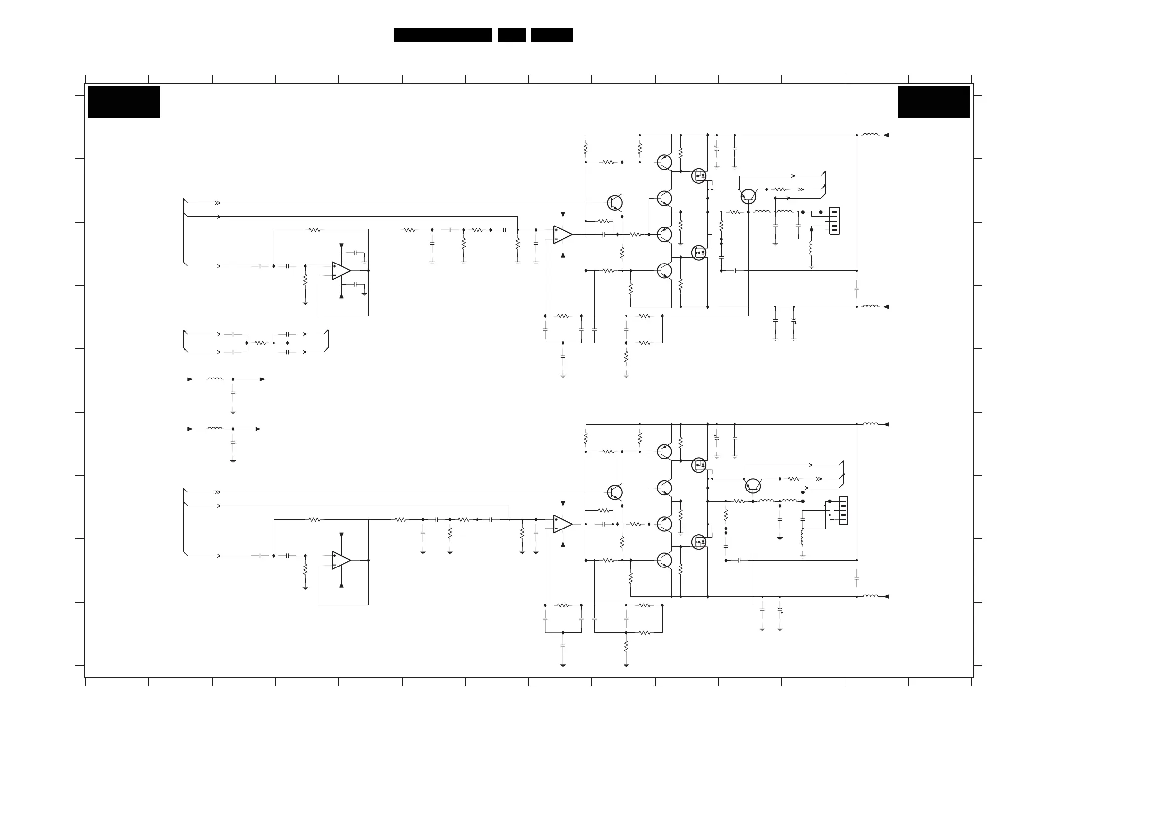
Circuit Diagrams and PWB Layouts
Audio & AL Supply Panel: Audio
ID63 G11
ID64 D8
ID65 I8
IDB4 B10
IDB5 G10
ID19 B10
ID20 C7
ID42 H10
ID37 F10
ID38 G10
ID39 G9
ID40 H10
ID41 H9
ID43 I10
ID44 C4
ID45 I8
ID46 I9
ID47 F10
ID48 F11
ID49 G10
ID50 G7
ID51 G11
ID52 G11
ID53 H11
ID54 G6
ID55 C5
ID56 H5
ID57 C6
ID58 G6
ID60 G11
ID61 B11
ID62 B11
ID15 D8
ID16 D9
ID17 A10
ID18 B11
ID21 C11
ID22 C10
ID23 C11
ID24 D8
ID25 C6
ID26 H8
ID27 E3
ID28 C3
ID29 F3
ID30 H3
ID31 G8
ID32 H4
ID33 H8
ID34 G9
ID35 F9
ID36 G9
FD01 C12
FD25 G12
FD26 G12
FD27 B12
3D42 G11
3D43 G11
FD28 G12
ID01 C8
ID02 D4
ID03 C8
ID04 C9
ID05 A9
ID06 B9
ID07 B10
ID08 B10
ID09 C9
ID10 C10
ID11 C9
ID12 D10
ID13 D10
ID14 D3
7D00-1 C8
7D00-2 G8
7D05 B9
7D06 B9
7D07 B9
7D08 C9
7D09 C9
7D10-1 B10
7D10-2 C10
7D12 B11
7D30 G9
7D31 F9
7D32 G9
7D33 G9
7D34 H9
7D35-1 F10
7D35-2 H10
7D37 G11
7D38-1 C4
7D38-2 H5
FD00 B12
3D38 I9
3D39 I9
3D40 G10
3D41 G12
3D44 G4
3D46 C10
3D48 H10
3D69 A10
3D70 F10
3D71 C6
3D72 G5
5D00 B11
5D01 A13
5D02 D13
5D03 B12
5D04 C12
5D05 E3
5D06 F3
5D07 G12
5D08 G12
5D25 G11
5D26 F13
5D27 H13
3D19 D3
3D20 C4
3D21 C6
3D22 G6
3D23 H4
3D24 B9
3D25 G9
3D26 G6
3D27 G7
3D28 F8
3D29 C4
3D30 F9
3D31 F9
3D32 H9
3D33 G9
3D34 H9
3D35 H9
3D36 I8
3D37 I9
3D01 C7
3D02 C7
3D03 A8
3D05 B9
3D06 A9
3D07 C9
3D08 C9
3D09 C9
3D10 D9
3D11 D8
3D12 D9
3D13 D9
3D14 E9
3D15 C10
3D16 B11
3D17 B11
3D18 C10
2D34 H11
2D35 G11
2D36 C12
2D37 I11
AUDIO: LEFT / RIGHT
2D38 I11
2D39 H13
2D40 C4
2D41 G12
2D42 H3
2D43 H4
2D44 E8
2D45 I8
2DA0 C5
2DA1 C5
2DA2 C6
2DA3 G6
2D19 D4
2D20 E3
2D21 F3
2D22 D8
56789101112
2D23 I8
2D24 C3
2D25 G7
2D26 G8
2D27 G9
2D28 I8
2D29 I8
2D30 I9
2D31 F10
2D32 F11
2D33 H10
G
H
I
A
1736 B12
2D00 C7
2D01 C8
2D02 C9
2D03 D8
2D04 D8
2D05 D9
2D06 A10
2D09 C11
2D10 C11
2D11 C6
2D12 D11
2D13 D12
2D14 D13
2D15 G6
2D16 D3
2D17 E4
2D18 E3
14
1234 13 14
A
B
C
D
E
F
B
C
D
E
F
G
H
I
1735 G12
2D07 A11
2D08 C10
12345678910111213
5D27
80R
IDB5
ID26
ID25
ID06
GND-LL
3D69
22K
ID36
5
6
7
8
4
5D02
7D00-2
LM393PT
80R
5D01
80R
3D41
22K
2D45
100n 100n
2D44
GND-SA
ID20
10n
2D36
GND-SA
ID58
3D30
ID57
22K
470n
2D10
1K2
3D31
330R
3D40
3D32
680R
BC847BW
7D30
1K2
3D35
22K
3D33
2D05
68n
3D13
10K
IDB4
2D07
100n
22K
3D16
7D12
BC857BW
22n
2D15
2D28
1n5
22n
2D25
GND-SA
1n5
2D29
GND-LR
7D06
BC807-25W
FD00
5D00
22u
GND-LL
0R1
3D17
2
1
8
4
25V1m0
2D06
7D00-1
LM393PT
3
ID22
ID23
3K3
3D28
100n
2D37
100n
2D12
BC807-25W
7D31
22u
5D25
FD26
ID41
ID40
ID34
2D31
1m0 25V
3
4
5
ID42
B5B-PH-K
1736
1
2
VN
BC817-25W
7D09
ID33
ID35
ID10
2D13
1m025V
ID15
1735
B5B-PH-K-K
1
2
3
4
5
GND-LL
ID61
7D34
BC817-25W
BC847BW
7D32
7D33
BC857BW
3D34
22K
10n
2D27
GND-LR
GND-LR
3D42
0R1
25V 1m0
2D38
3D36
3K9
3D08
22K
3K3
3D03
3D15
330R
BC857BW
7D37
3D02
6K8
5
6
4
3
7D05
BC847BW
SI4532ADY
7D35-1
7
8
2
1
7D35-2
SI4532ADY
3D14
560R
100n
2D14
ID01
ID43
-12-15V
FD25
5D04
220R
5D03
220R
2D34
1n5
1n5
2D33
2D41
10n
100K
3D37
80R
5D26
2D39
100n
ID45
6K8
3D27
ID60
22K
3D26
5D07
220R
7D10-1
SI4532ADY
5
6
4
3
3D06
1K2
GND-SA
+12-15V
ID48
7D07
BC847BW
3D01
22K
680R
3D07
22K
3D22
ID04
ID16
2D32
100n
ID19
ID21
ID17
2D16
10p
ID50
GND-L
ID02
560R
3D39
GND-SA GND-SA
GND-LR
680p
2D26
3D12
100K
GND-LL GND-LL
2D01
680p
80R
5D06
BC857BW
7D08
7
8
2
1
SI4532ADY
7D10-2
ID11
ID12
3D10
1K2
ID18
22K
3D09
ID05
ID08
ID07
ID09
ID03
+12-15V
5D08
220R
68n
2D30
10K
3D38
2D11
22n
ID51
4R7
3D43
FD28
ID13
GND-SA
ID37
FD01
2D02
10n
3D21
22K
22p
2D23
22p
2D22
ID24
3D19
33K
2D19
10p
10p
2D18
ID54
10p
2D17
3D29
8K2
22n
2D24
ID14
FD27
8
4
ID27
7D38-1
LM358P
3
2
1
+12-15V
+12-15V
3D48
22K 22K
3D70
2D35
470n
ID53
GND-LR
5D05
80R
ID49
3D05
22K
ID47
1n5
2D09
2D08
1n5
3D18
4R7
1n5
2D03
3K9
3D11
2D04
1n5
2D20
GND-SA
1u0
2D42
22n
VP
ID46
ID39
2DA3
1n0
3D71
10K
GND-L
GND-SA
GND-SA
ID31
2DA1
100n
100n
2DA0
-12-15V
GND-SA
ID52
22n
2D00
VN
-12-15V
GND-SA
ID38
15K
3D23
22n
2D43
5
6
7
8
4
7D38-2
LM358P
VN
-12-15V
VPVP1
1u0
2D21
ID29
GND-SA
ID55
ID28
ID44
GND-SA
10K
3D72
2D40
22n
3D20
15K
ID65
ID63
ID64
ID62
1n0
2DA2
GND-SA
3D46
22K
GND-LR GND-LR
1M0
3D25
VP
GND-LL
GND-LL
1M0
3D24
GND-SA
-12-15V
ID32
ID56
8K2
3D44
ID30
AUDIO-L
AUDIO-R
FEEDBACK-L
FEEDBACK-R
IN-L
IN-R
LEFT-SPEAKER
RIGHT-SPEAKER
IN-R
MUTE
CPROT
FEEDBACK-R
IN-L
MUTE
FEEDBACK-L
CPROT
AP2A AP2A
H_16801_120.eps
300807
3104 313 6193.3

Table of Contents

Related product manuals