EasyManua.ls Logo

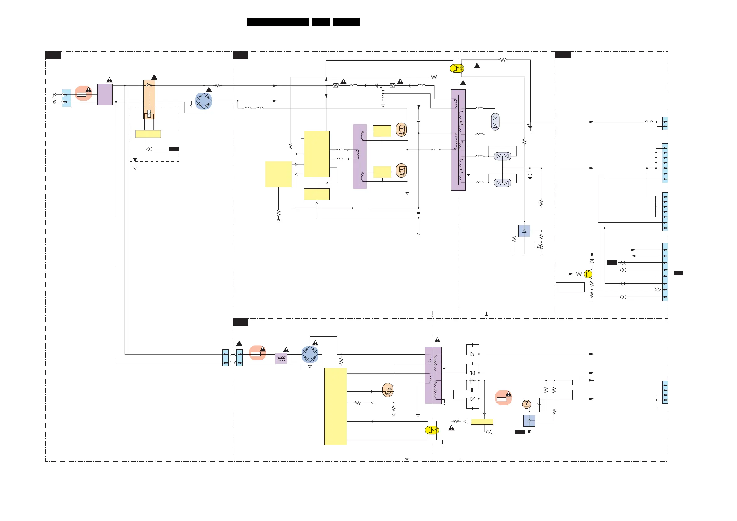
Philips 32PFL9432/98 - Block Diagram Supply 32”

Philips 32PFL9432/98
215 pages
Print Icon
To Next Page IconTo Next Page
To Next Page IconTo Next Page
To Previous Page IconTo Previous Page
To Previous Page IconTo Previous Page
Loading...
Block Diagrams, Test Point Overview, and Waveforms
53Q528.1A LA 6.
Block Diagram Supply 32”
SUPPLY
B01A
MAINS FILTER + STANDBY
A1
SUPPLY
A2
MAINS FILTER + STANDBY
A1
1
2
1M09
6807
TS6B
-
+
7001
MC34067PG
15
7017
7018
7007
HIGH
SIDE
DRIVE
7004
7009
5001
BIAS SUPPLY
SOFT
STA RT
+
CURRENT
PROTECTION
CONTROL
VCC
OSCC
ERROR
SOST
OB
OA
FI
2
4
11
7
11
14
12
10
6
7
5002
7008
LOW
SIDE
DRIVE
10
9
2003
60786079
3007
7010
TS2431
3030
1400
T5AH
1308
5401
5403
5405
MAINS
FILTER
2
1
OVER
VOLTAGE
PROTECTION
400V_HOT
25V_HOT
DISPLAY SUPPLY + PLATFORM SUPPLY 32"
+12Vd
400V_HOT
2020
2011
VREF
5
5008
5007
3810
3000
5025
5026
CONTROL
3
7B00
7B01
7B02
+AUDIO-POWER
+5V-STANDBY
5B01
7
8
10
9
5
2
1
H_16800_099.eps
110507
1P02
22
1P02
11
3B61
3B51
3B50
3B60
1P11
6
3
8
4
3057
VS Voltage
Adj.
5017
5040
5009
2017
5010
7B04
TCET1102
2
14
3
7002
TCET1102
2
14
3
7005
STP15NK50
7006
STP15NK50
7B05
1450
5
7
7801
7802
ON/OFF
STANDBY
STANDBY
3100
5015
5016
3033
6077
3022
1
2
3
4
5
1320
TO
DISPLAY
1
2
3
4
5
1317
TO
DISPLAY
5406
TO
AMBI-LIGHT
+5V2
STANDBY
BOOST
2
1
ON-OFF
POWER-GOOD
DIM-CONTROL
6B04
SS36
-
+
1B32
T1.6A
5B00
12
11
-AUDIO-POWER
6B07
6B08
2B48
2B51
+12VS
7B06
6B05
1B33
2.5AT
6B06
2B45
CONTROL
AUDIO-PROT
2B46
K
A
R
K
A
R
3B72
6B15
3B73
3B29
HOT GROUND COLD GROUND
HOT GROUND COLD GROUND
HOT GROUND
COLD GROUND
A1
6024
7013
+5V2
3052
30773078
Power-Good = 5V
if +12V >10V
+12Vd
2014
3021
2022
3026
3025
3024
1
2
3
4
1B40
7B50
B11C
A2
N.C
A1
A2
TO 1P11
SSB
8
7
3
5
6044
5028
5027
9
10
11
13
12
14
15
16
6044
6044
+24V
+12Vd
11
12
11
12
FOR SERVICE
TO PROVIDE
EXTERNAL
SUPPLY

Table of Contents

Related product manuals