EasyManua.ls Logo

PREVOST X3-45 2016 - Pulley Alignment

PREVOST X3-45 2016
459 pages
Print Icon
To Next Page IconTo Next Page
To Next Page IconTo Next Page
To Previous Page IconTo Previous Page
To Previous Page IconTo Previous Page
Loading...
Section 22: HEATING AND AIR CONDITIONING
PA1593
21
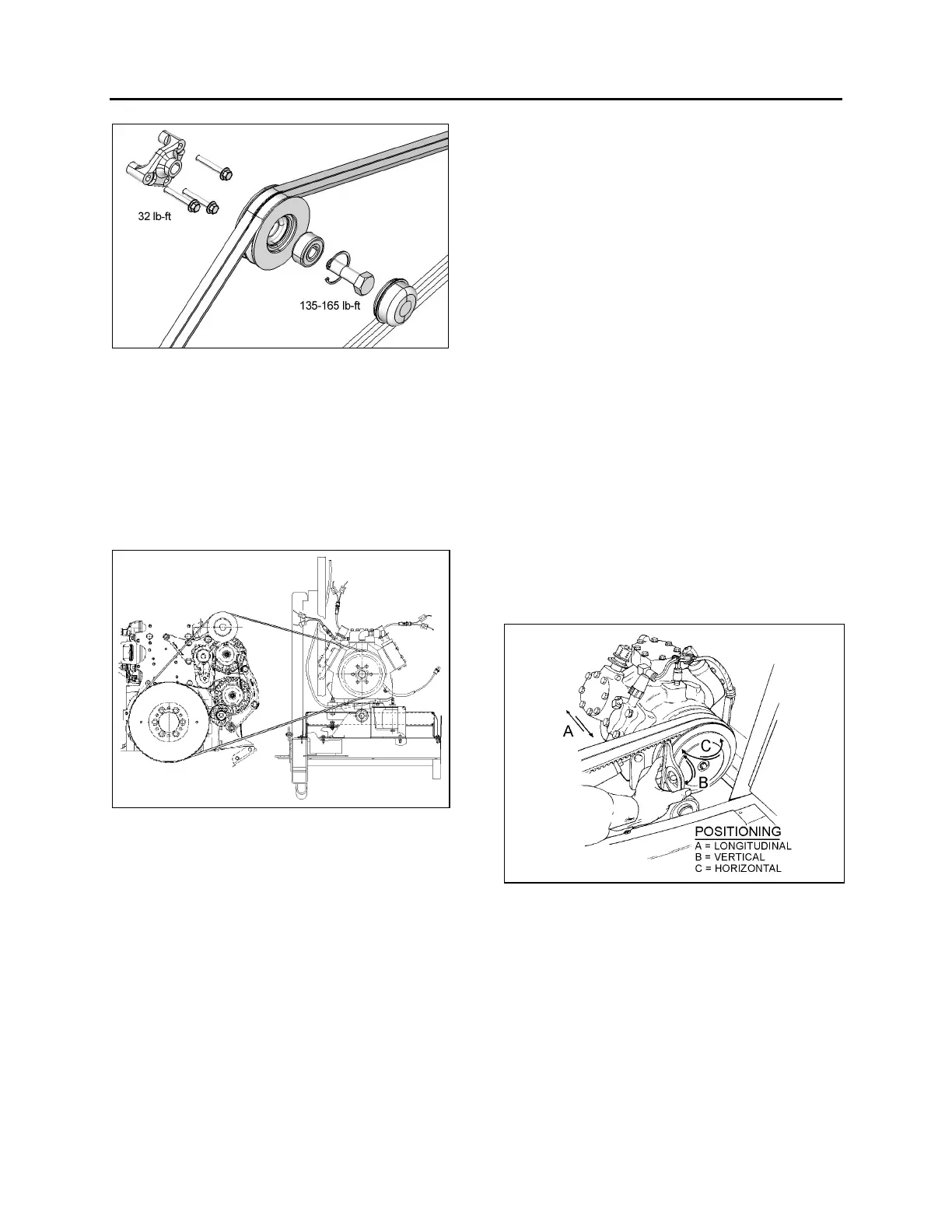
FIGURE 22: IDLER PULLEY INSTALLATION ON VOLVO
D13 ENGINE
7.1.2 Belt Tension Adjustment
Belt tensioning is applied through air bellows
which are adjusted by an air pressure regulating
valve. The correct pressure of 45 psi (310 kPa)
is set at the factory. Periodically verify the
pressure at the regulating valve using a
pressure gauge and correct if necessary.
FIGURE 23: A/C COMPRESSOR BELT ADJUSTMENT22288
7.1.3 Pulley Alignment
In order to avoid skipping, disengagement and a
premature wear of compressor belt, it is
necessary to align compressor pulley with the
crankshaft pulley. Before performing the
following procedure, release air from belt
tensioner bellows by means of the air pressure
releasing valve. After completing these
procedures reset belt tensioner air pressure
regulator to 45 psi (310 kPa).
7.1.4 Longitudinal Compressor Alignment
1. Rest an extremity of a straight edge of
approximately 46 inches (117 cm) against
the upper part of the outer face of crankshaft
pulley, positioning the other end close to the
compressor clutch pulley (Figs. 24 & 25).
2. Check the distance between each extremity
of straight edge (1. Fig. 25) and the first
drive belt. If they are different, loosen the
compressor support bolts and with a
hammer, knock support to slide it in order to
obtain the same distance; then tighten bolts.
7.1.5 Horizontal Compressor Alignment
1. Rest an extremity of the straight edge
against the upper part of the outer face of
compressor pulley, positioning the other end
close to the crankshaft pulley.
2. Check the distance between each extremity
of straight edge (1, Fig. 25) and drive belt. If
they are different, loosen the pillow block
compressor bolts and with a hammer, knock
compressor pillow block to slide it, in order
to obtain the same distance; then tighten
bolts.
FIGURE 24: COMPRESSOR ALIGNMENT 22072
7.1.6 Vertical Compressor Alignment
Rest a short "angle and level indicator" on the
outer side face of the crankshaft pulley, adjust
the level indicator inclination at 0
o
and check if
the compressor pulley is at same angle (Fig.
24). If it is not the same, shim under the
appropriate pillow block in order to obtain the
correct angle.

Table of Contents