EasyManua.ls Logo

Schaerer Ambiente 2 - Page 72

Schaerer Ambiente 2
260 pages
Print Icon
To Next Page IconTo Next Page
To Next Page IconTo Next Page
To Previous Page IconTo Previous Page
To Previous Page IconTo Previous Page
Loading...
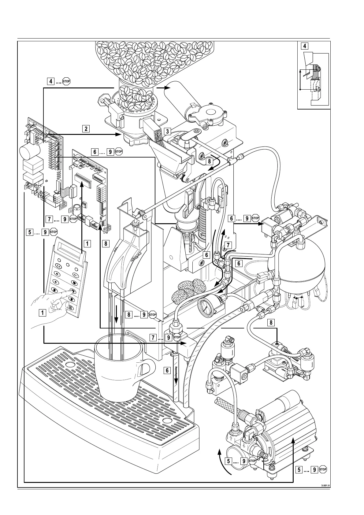
Chapter 3 Functional descriptions
68 SMSO-2-02.03- 15.07.03

Table of Contents

Other manuals for Schaerer Ambiente 2

Related product manuals