EasyManua.ls Logo

Siemens 6SL3120-2TE21-0AA3

Siemens 6SL3120-2TE21-0AA3
499 pages
To Next Page IconTo Next Page
To Next Page IconTo Next Page
To Previous Page IconTo Previous Page
To Previous Page IconTo Previous Page
Loading...
Line connection and line-side power components
3.8 Line reactors
Booksize Power Units
116 Manual, (GH2), 04/2014, 6SL3097-4AC00-0BP6
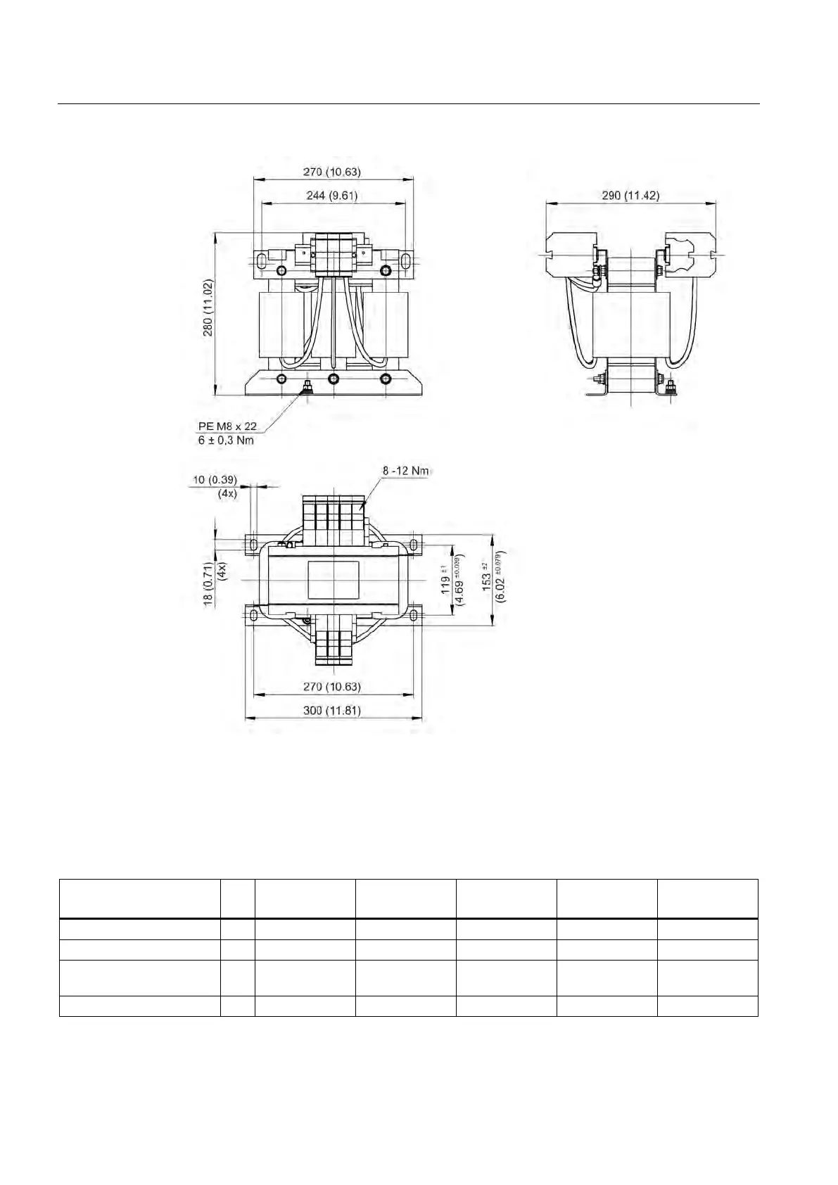
Figure 3-50 Dimension drawing of line reactor for Smart Line Module 55 kW, all dimensions in mm
and (inches)
3.8.6.3
Technical data
Table 3- 21 Technical data of line reactors for the Smart Line Module
6SL3000-
0CE15-0AAx
6SL3000-
0CE21-0AAx
6SL3000-
0CE21-6AAx
6SL3000-
0CE23-6AAx
6SL3000-
0CE25-5AAx
Power
kW
5
10
16
36
55
Rated current
A
rms
14
28
35
69
103
Power loss (see power
loss tables (Page 781))
W 62 116 110 170 190
Weight
kg
3.7
7.5
9.5
17
37
Artisan Technology Group - Quality Instrumentation ... Guaranteed | (888) 88-SOURCE | www.artisantg.com

Table of Contents

Related product manuals