EasyManua.ls Logo

Siemens 6SL3120-2TE21-0AA3

Siemens 6SL3120-2TE21-0AA3
499 pages
To Next Page IconTo Next Page
To Next Page IconTo Next Page
To Previous Page IconTo Previous Page
To Previous Page IconTo Previous Page
Loading...
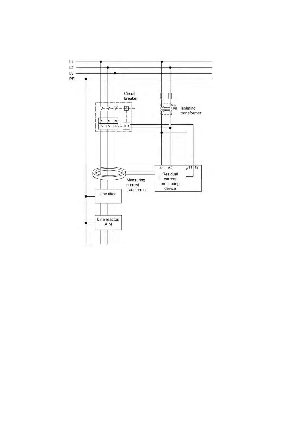
Line connection and line-side power components
3.4 Line supply connection via residual-current devices
Booksize Power Units
56 Manual, (GH2), 04/2014, 6SL3097-4AC00-0BP6
Figure 3-4 Connecting a differential current monitoring device
Recommendation
AC/DC-sensitive differential current monitoring device RCMA423-D-2, Bender company,
the 230 V supply voltage is tapped using an upstream isolating transformer
Measuring current transformer W120AB (120 mm) or W210AB (210 mm), Bender
company
Circuit breaker with thermal overload release, short-circuit release, and undervoltage
release
Artisan Technology Group - Quality Instrumentation ... Guaranteed | (888) 88-SOURCE | www.artisantg.com

Table of Contents

Related product manuals