EasyManua.ls Logo

Siemens 7MF4233 series - Page 185

Siemens 7MF4233 series
211 pages
Print Icon
To Next Page IconTo Next Page
To Next Page IconTo Next Page
To Previous Page IconTo Previous Page
To Previous Page IconTo Previous Page
Loading...
Model Designations and Specifications UMSITRPDS3-1
November 2005
9-32
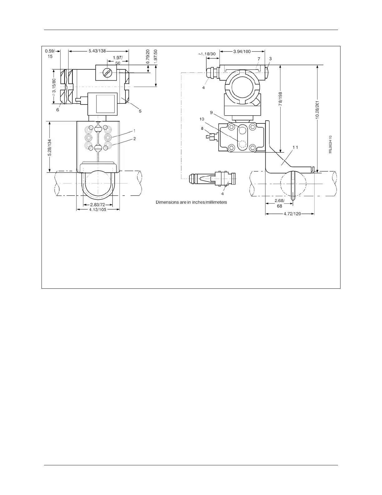
1
2
3
4
5
Process connection ¼-18NPT for absolute pressure
(+) side
Mounting thread M10, M12 or 7/16-20UNF
Dummy plug
Electrical connection:
Screwed gland PG 13.5 (adapter)
M20 x 1.5 or ½ -14NPT or
Han 7D/Han 8 U plug
Connection side
6
7
8
9
10
11
Electronics side, digital display (greater length for
cover with window)
Access cover over magnetic pushbuttons
Sealing screw
Side vent for measuring liquid
Side vent for measuring gas (supplement H02)
Mounting bracket (optional)
This Figure is for Models 7MF4333, 7MF4433, and
7MF4533.
FIGURE 9-2 Dimensions, Differential Construction, Diff., Flow and Absolute Models

Table of Contents

Related product manuals