EasyManua.ls Logo

Siemens 7MF4233 series - Page 187

Siemens 7MF4233 series
211 pages
Print Icon
To Next Page IconTo Next Page
To Next Page IconTo Next Page
To Previous Page IconTo Previous Page
To Previous Page IconTo Previous Page
Loading...
Model Designations and Specifications UMSITRPDS3-1
November 2005
9-34
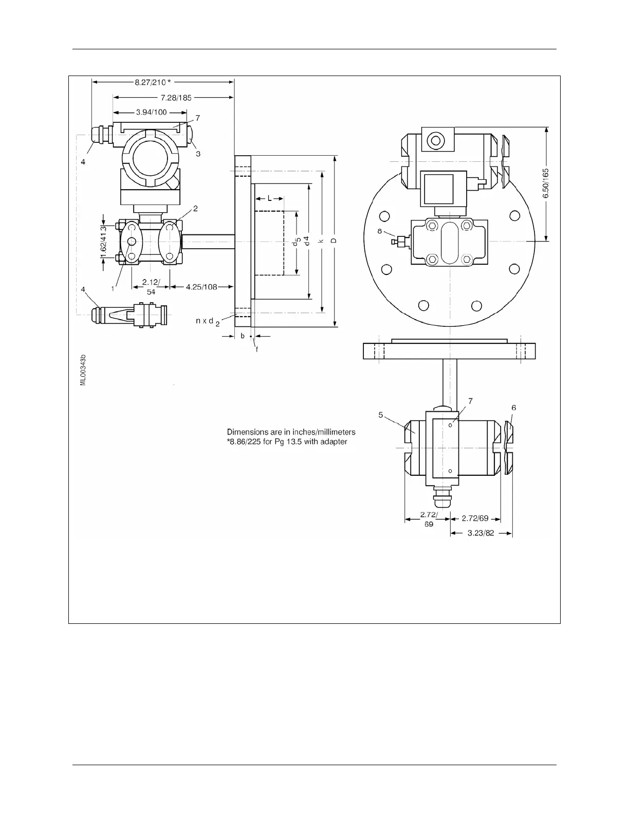
1
2
3
4
Process connection of low pressure side ¼ -18NPT
Mounting thread M10, M12 or 7/16 –20 UNF
Blanking plug
Electrical connections:
Cable gland Pg 13.5 (with adapter)
M20 x 1.5 or ½ - 14 NPT or
Han 7D/Han 8 U Plug
5
6
7
8
Connection side
Electronics side, digital display (greater length for
cover with window)
Access cover over magnetic pushbuttons
Sealing screw with valve
This Figure is for Models 7MF4633 and 7MF4912.
FIGURE 9-4 Dimensions, Flanged Level Models

Table of Contents

Related product manuals