EasyManua.ls Logo

Sony HCD-FL3 - Schematic Diagram - CENTER SW AMP Board

Sony HCD-FL3
170 pages
Print Icon
To Next Page IconTo Next Page
To Next Page IconTo Next Page
To Previous Page IconTo Previous Page
To Previous Page IconTo Previous Page
Loading...
HCD-FL3
2222
C553
R552C552
NO702
CN502
R525
R526
D551
R558
R511
R512
R557
R555 R556
R521
R522
C556C555
C506
C505
R506
R505
D501
R508
R507
R504
C503
R501
R502C502
R551
R554
R520
NO802
CN503
JW501
C592
C591
IC501
C551
D591
R591
R592
C594
C593
Q521
Q551
C508 C507 C521
Q501
R519
C520
C501
C504
C554
Q522
R524
R523
D921
IC922
C927
D552
D502
C928
R510
C923
C921
C922
R560
R553
R503
100p
47k470p
8P
12P
2.2k
2.2k
1SS133T
15k
100
100
1k
0.22
5W
0.22
5W
2.2k
22k
0.10.1
0.1
0.1
0.22
5W
0.22
5W
1SS133T
15k
1k
47k
100p
1k
47k470p
1k
47k
1
9P
10P
0.1
100V
0.1
100V
STK442-130
10
50V
D15XB20
100k
100k
2200
63V
2200
63V
2SA988
2SC1841
22
100V
22
100V
47
100V
2SC1841
22k
1000p
10
50V
22
50V
100
10V
2SC1841
5.6k
68k
D3SBA20
TA7809S
10
50V
1SS133T
1SS133T
1000
10V
10
2200
25V
0.1
0.1
10
680
560
SW GND
SW
CENTER GND
CENTER
PB-R
REC-R
A-GND
PB-L
REC-L
CENTER
CENTER
CENTER GND
CENTER GND
SW
SW
SW GND
SW GND
POWER GND
POWER GND
STK MUTE
UNREG(M)
UNREG GND
OVER LOAD
M+9V
M-GND
PB-R
REC-R
A-GND
PB-L
REC-L
AC2(VH)
AC2(VH)
AC GND
AC3(MOTOR)
AC3(MOTOR)
A-GND
AC2(VH)
AC GND
AC2(VH)
G
OI
+9V REGULATOR
RECT
D591
RECT
D921
Q521,522
STANDBY SWITCH
DETECT
OVER LOAD
DETECT
OVER LOAD
2
4
3
1
1
3
4
2
POWER AMP
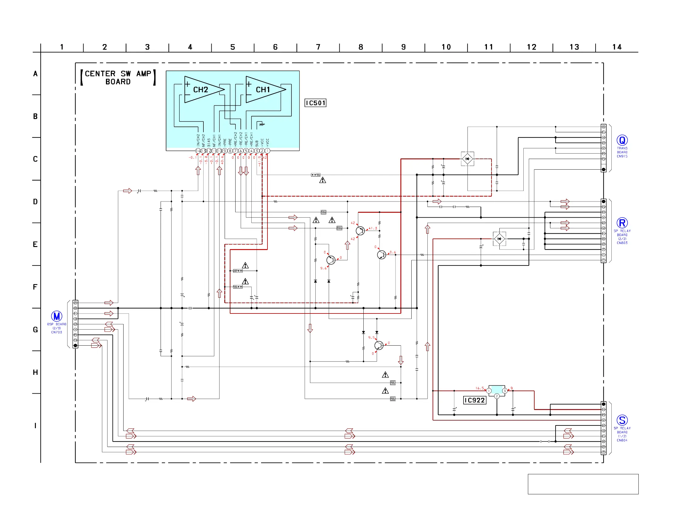
1-16. SCHEMATIC DIAGRAM – CENTER SW AMP Board –
•Voltages and waveforms are dc with respect to ground
under no-signal (detuned) conditions.
no mark : TUNER
The components identified by mark 0 or dotted
line with mark 0 are critical for safety.
Replace only with part number specified.
(Page 17)
(Page 36)
(Page 25)
(Page 24)

Table of Contents

Related product manuals