EasyManua.ls Logo

Sony HCD-FL3 - Schematic Diagram - SPEAKER Section (2;2)

Sony HCD-FL3
170 pages
Print Icon
To Next Page IconTo Next Page
To Next Page IconTo Next Page
To Previous Page IconTo Previous Page
To Previous Page IconTo Previous Page
Loading...
HCD-FL3
2525
C853
R862R863
C863
R838
Q860
R841
R840
C820
R816
C816
R821
R877
D805
D801
C892
NO703
C891
R857
Q853
Q852
Q855 Q856
R858
Q850
Q851
R850D850
D851 R851
C850
Q863
R859
Q861 R861
R860
C860
D860
R836
C861
D862
D861
C862
Q862
R854
CN805
R826
R843
R842
C824C825
C822
R839 R837
R886
R885
CN808
CN803
C815
R867
R866
R865
R870
R869
D804
R878
R829
D807
R832
C823
C821
R828
R852
CN809
CN807
M801
R853
Q854
R856
Q807
JW806
JW805
Q805
JW804
JW803
JW801
JW802
CN806
R815
Q801
Q804
C852
R864
D810
C851
C890
R874
R820
R879
R831
R880
R824
R833
R876
TM801
RY803
RY801
R875
RY802
RY804
RY806
R827
RY807
R845 R844
R868
RY805
Q802
R823
D802
JW986
JW985
D803
R825
Q803
Q806
D806
R830
JW987
D890
C877
C876
C874
R822
C875
CN801
100
10V
22k22k
0.01
22k
BA1A4M
47k
47k
0.01
680
2W
4.7
100V
10k
100
1W
1SS355
1SS355
0.01
6P
0.01
10k
2SD1616
2SC2785
2SC2785 2SC2785
10k
2SC2785
2SC2785
4.7k1SS355
1SS355 4.7k
10
50V
2SD2525
100
2SC2785 47k
4.7k
4.7
50V
1SS355
100
47
16V
UDZS-TE-
17-6.8B
UDZS-TE-
17-6.2B
0.01
2SC2785
22k
18P
2.2k
47k
47k
0.010.01
0.01
5.6k 22k
47
1W
47
1W
3P
12P
4.7
100V
68k
68k
47k
68k
47k
1SS355
100
1W
10k
1SS355
10k
0.01
0.01
2.2k
2.2k
3P
12P
4.7k
2SA1175
33k
2SC2785
2SC2785
16P
680
2W
2SC2785
2SC2785
2.2
50V
220k
1SS355
10
50V
4700
16V
100
1W
2.2k
100
1W 2.2k
100
1W
2.2k
2.2k
100
1W
100
1W
10k
47k 47k
68k
2SC2785
10k
1SS355
1SS355
10k
2SC2785
2SC2785
1SS355
10k
D3SBA20
100
10V
100
16V
470
6.3V
2.2k
470
6.3V
18P
A2
A3
A4
A5
A6
A7
A8
A9
A10
A/B
BIAS
AM
S
ALC
N/H
REC-M
UTE
TC-M
UTE
REC/PB
Y1
Y2
Y3
Y1
Y2
Y3
HP-L
HP-R
HP GND
OVERLOAD
STK MUTE
CENTER GND
CENTER GND
SW GND
SW
SW
SW GND
AMS
ALC
A/B
TC-MUTE
REC-MUTE
REC/PB
STK MUTE
CD/DVD POWER
FAN
SP PROTECT
UNREG(M)
M-GND
M+9V
VF
VF
VP
VF
VF
VP
D-GND
AC 4(PRE)
AC 4(PRE)
D-GND(GC)
D+4V(GC)
D-GND(MC)
D+4V(MC)
A-GND
A+10V
A-GND(DSP)
A+5V(DSP)
CD GND
DBFB FEEDBACK
RELAY 5.1CH
RELAY BTL
RELAY REAR
RELAY FR
CD A+5V(SW)
CD D+5V(SW)
REAR GND
REAR GND
POWER GND
POWER GND
OVER LOAD
STK MUTE
FAN+
FAN-
FAN+
(2/2)
(FAN)
FRONT R
FRONT R
FRONT R GND
FRONT R GND
FRONT L
FRONT L
FRONT L GND
FRONT L GND
REAR R
REAR R
REAR L
REAR L
Q852,853
DETECT
RECT
CONTROL
PROTECT SWITCH
Q855,856
DC DETECT
PROTECT SWITCH
Q850,851
Q860,863
FAN MOTOR
DRIVE
Q861,862
FAN MOTOR CONTROL
DRIVE
RELAY
DRIVE
RELAY
Q803
RELAY DRIVE
N/H
BIAS
DRIVE
RELAY
DRIVE
RELAY
FRONT L
FRONT R
CENTER
S.WOOFER
REAR L
REAR R
SPEAKER
IMPEDANCE
EXCEPT CENTER
16
POWER GND
POWER GND
CENTER
CENTER
RELAY DRIVE
3
4
2
1
RELAY DRIVE
-1
-2
-1
-2
-1
-2
-1
-2
-1
-2
-1
-2
-1
-2
USE 8-16
OVER LOAD
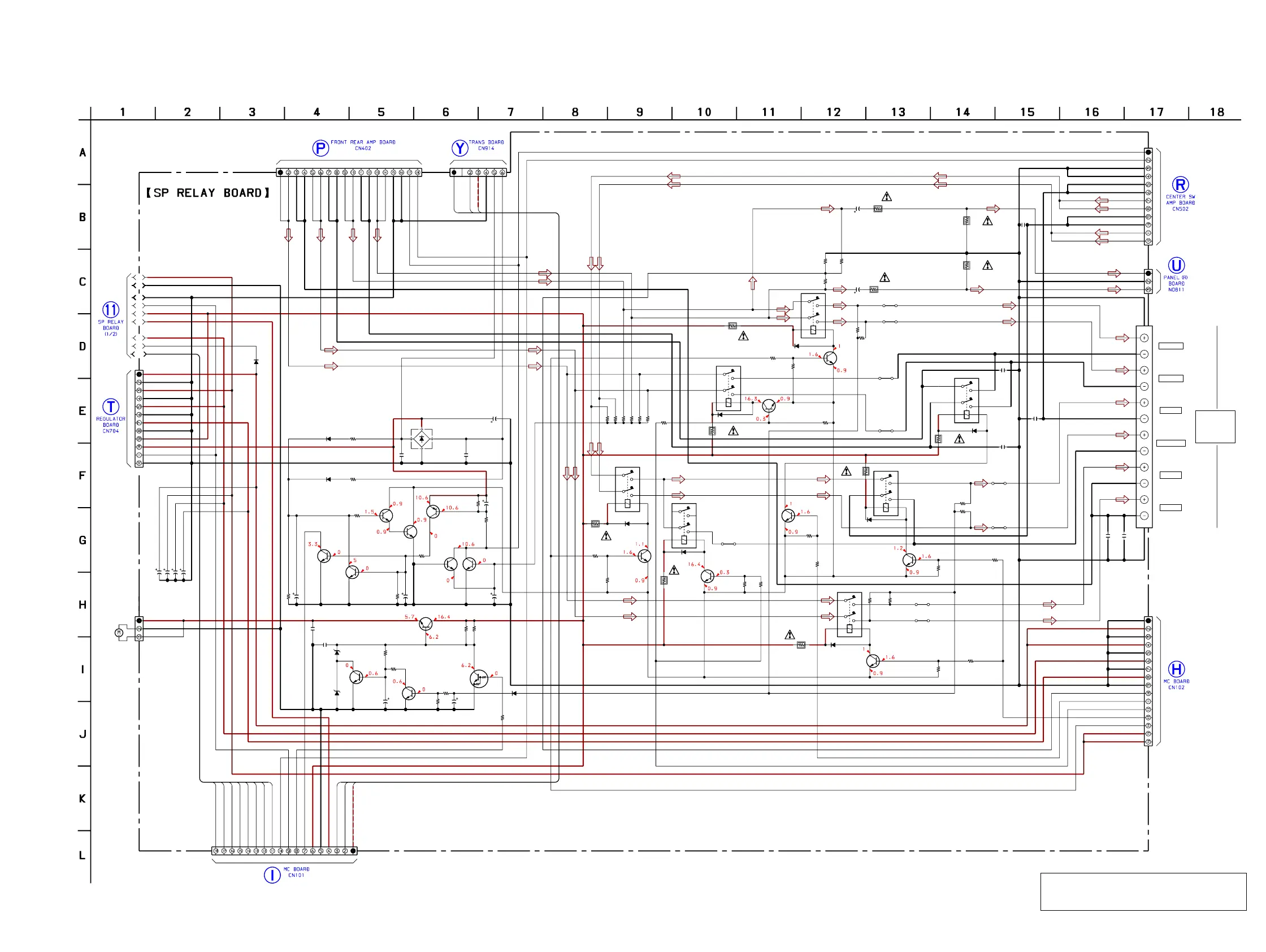
1-19. SCHEMATIC DIAGRAM – SPEAKER Section (2/2) –
•Voltages and waveforms are dc with respect to ground
under no-signal (detuned) conditions.
no mark : TUNER
The components identified by mark 0 or dotted
line with mark 0 are critical for safety.
Replace only with part number specified.
(Page
24)
(Page
23)
(Page 13)
(Page 20)
(Page 36)
(Page 22)
(Page 30)
(Page 13)

Table of Contents

Related product manuals