EasyManua.ls Logo

Sony HCD-FL3 - Tape Mechanism Deck Section (TCM-230 AWR41 CS)

Sony HCD-FL3
170 pages
Print Icon
To Next Page IconTo Next Page
To Next Page IconTo Next Page
To Previous Page IconTo Previous Page
To Previous Page IconTo Previous Page
Loading...
97
HCD-FL3
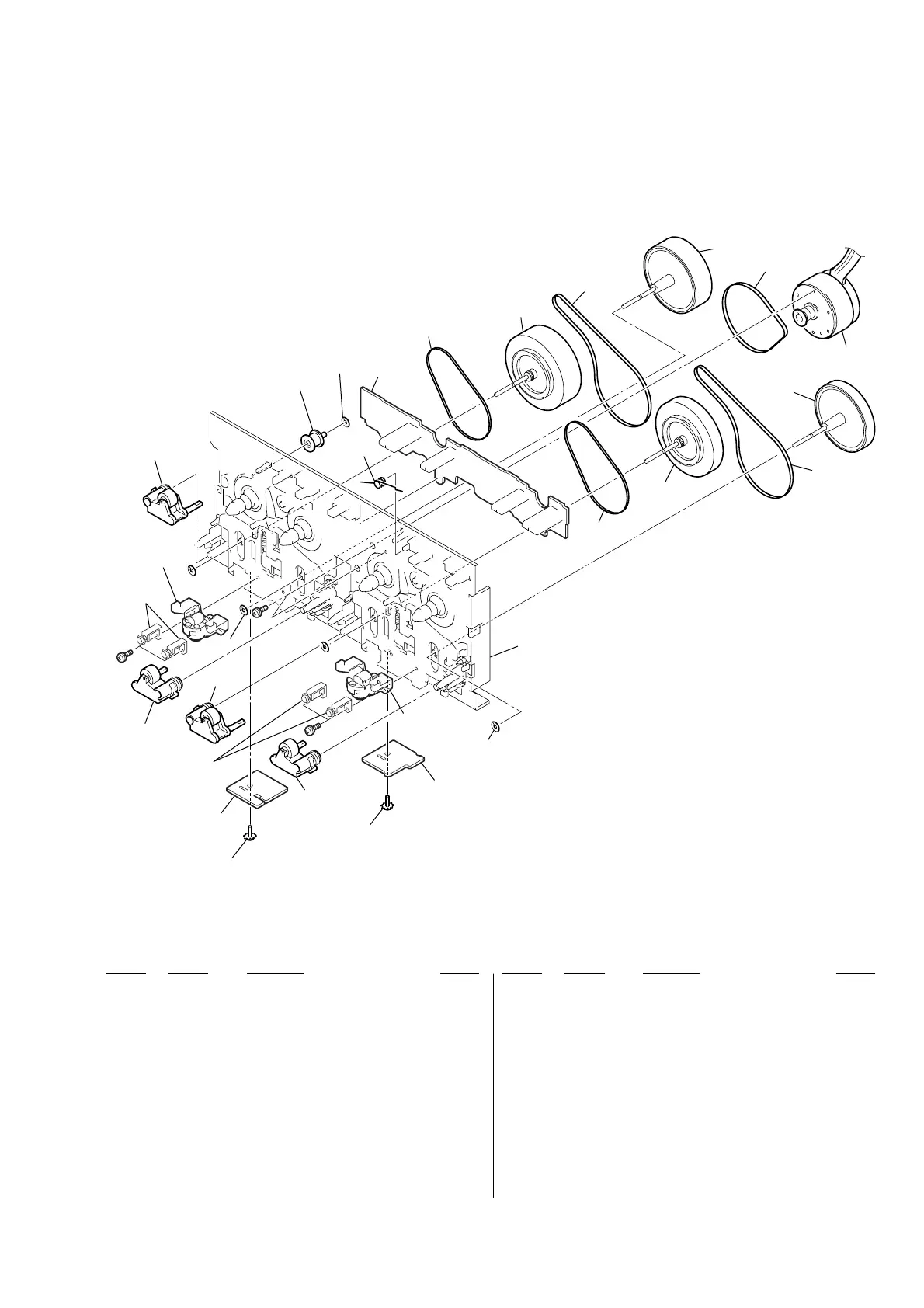
9-15. TAPE MECHANISM DECK SECTION
(TCM-230AWR41CS)
751
758
757
758
764
759
759
766
765
760
767
751
752
752
762
769
762
753
754
#9
HP901
HRPE901
not
supplied
not supplied
not supplied
#10
#8
#8
#10
M901
768
768
763
756
Ref. No. Part No. Description Remark
Ref. No. Part No. Description Remark
751 X-3374-156-5 PINCH LEVER (REV) ASSY
752 X-3374-155-5 PINCH LEVER (FWD) ASSY
753 A-2007-839-A HEAD (A) BOARD, COMPLETE
754 A-2007-840-A HEAD (B) BOARD, COMPLETE
756 3-040-580-02 PULLEY (TENSION)
757 A-4676-533-A SW BOARD, COMPLETE
758 3-041-947-01 BELT (FR)
759 3-041-946-01 BELT (CAPSTAN B)
760 4-227-239-01 BELT (CAPSTAN C)
762 3-019-208-01 WASHER, STOPPER
763 3-016-533-01 WASHER (FR), STOPPER
764 X-3378-041-1 FLYWHEEL (A-REV) ASSY
765 X-3378-040-1 FLYWHEEL (A-FWD) ASSY
766 X-3378-043-1 FLYWHEEL (B-REV) ASSY
767 X-3378-042-1 FLYWHEEL (B-FWD) ASSY
768 4-227-872-11 SCREW (+PTT 2X4), GROUND POINT
769 4-227-455-02 SPRING (HALF), TORSION
HP901 X-4953-985-1 BLOCK (A) ASSY, HEAD (PB)
HRPE901X-4953-986-1 BLOCK (B) ASSY, HEAD (REC/PB/ERASE)
M901 X-3378-241-1 MOTOR ASSY (CAPSTAN) (WITH PULLEY)
(TAPE)
#9 7-628-254-05 SCREW +PS 2.6X5
#8 7-685-783-09 SCREW +PTT 2X6 (S)
#10 7-623-921-01 RING, RETAINING, CAPSTAN

Table of Contents

Related product manuals