EasyManua.ls Logo

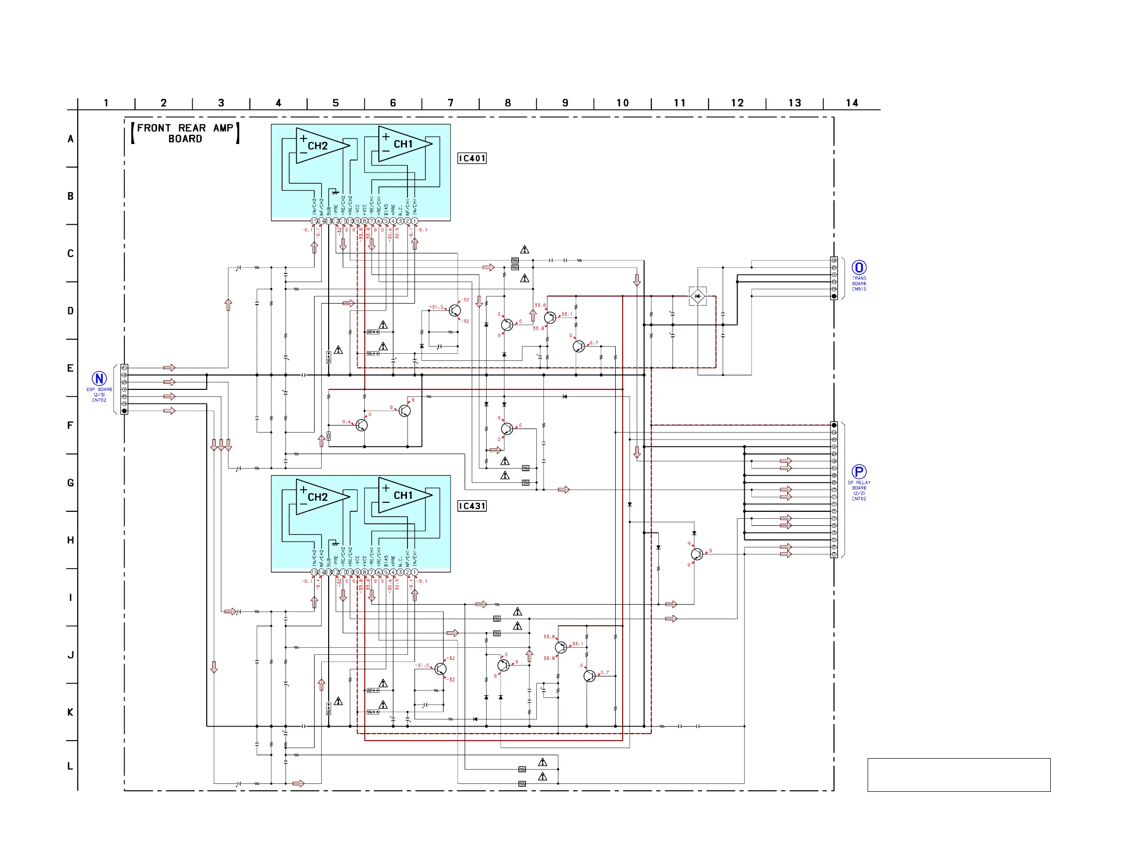
Sony HCD-FL3 - Schematic Diagram - FRONT REAR AMP Board

Sony HCD-FL3
170 pages
Print Icon
To Next Page IconTo Next Page
To Next Page IconTo Next Page
To Previous Page IconTo Previous Page
To Previous Page IconTo Previous Page
Loading...
HCD-FL3
5555
8-25. SCHEMATIC DIAGRAM – FRONT REAR AMP Board –
•Voltages and waveforms are dc with respect to ground
under no-signal (detuned) conditions.
no mark : TUNER
The components identified by mark 0 or dotted
line with mark 0 are critical for safety.
Replace only with part number specified.
R408
D401
C453
D421R412
R411
R454
R452C452
R451
R419
R407
R405
R406
C405
C406
R410
D420
R404
C403R401
R402C402
R440
C436 C435
R486
R485
R437
R487
C486
R490
D481
D471
R472
R471
R476
R475
R462
R461
R470
R469
R482C482
R432C432
C433 R434
R431
R436
R435
R455
R456
R457
C455 C456
R460
R421
R422
R426 R425
NO701
CN402
Q431
D431
R484
C483
R481
R420
R458
Q451
D451
NO801
Q423
C421
Q421
Q422
R491
R492
C494
C493
C491
C492
D491
Q401
Q419
Q420
R416
TH401
R417R418
R403
C420
R453
C401
C404
C454
C408C407
C471
Q472
Q471
Q481
C485
Q473
C457 C458
C481
R483
C470
R433
C431
C434
C484
C451
D490
C472
R478
R423
R473
R424
R474
R427
R477
C422
R428
IC401
IC431
D402
D452
R438
D482
D432
R488
15k
1SS133T
100p
1SS133T100
100
47k
47k470p
1k
10k
1k
0.22
2W
0.22
2W
0.1
0.1
10
1/2W
1SS133T
47k
100p1k
47k470p
10
1/2W 0.1 0.1
0.22
2W
0.22
2W
1k
1k
0.1
10
1/2W
1SS133T
1SS133T
22k
2.2k
2.2k
2.2k
100
100
1
10k
47k470p
47k470p
100p 47k
1k
0.22
2W
0.22
2W
0.22
2W
0.22
2W
1k
0.1 0.1
10
1/2W
2.2k
22k
2.2k 2.2k
6P
19P
2SC2785
1SS133T
47k
100p
1k
1
15k
2SC2785
1SS133T
7P
2SC2785
47
50V
2SA1175
2SC2785
100k
100k
2200
50V
2200
50V
0.1
0.1
D15XB20
2SC2785
2SC2785
2SC2785
100k
100k82k
470
1000p
470
10
50V
47
10V
47
10V 22
50V
22
50V
47
50V
2SC2785
2SA1175
2SC2785
0.1
2SC2785
22
50V
22
50V
10
50V
680
1000p
680
10
50V
47
10V
47
10V
10
50V
1SS133T
47 50V
15k
68k
68k
5.6k
5.6k
33k
33k
47 50V
15k
STK402-070S
STK402-070S
1SS133T
1SS133T
22k
1SS133T
1SS133T
22k
REAR GND
REAR L
FRONT R
FRONT GND
FRONT L
STK MUTE
FRONT L
FRONT L GND
FRONT L GND
FRONT R GND
FRONT R GND
FRONT R
REAR L
REAR R
OVER LOAD
FRONT L
FRONT R
REAR L
REAR GND
REAR GND
REAR R
POWER GND
POWER GND
FRONT GND
-B
AC1(VL)
AC1(VL)
AC-GND
REAR R
AC1(VL)
AC-GND
AC1(VL)
POWER AMP
POWER AMP
STANDBY
SWITCH
OVER LOAD
DETECT
STANDBY
SWITCH
Q421,422
OVER LOAD
DETECT
DETECT
Q419,420
THERMAL
OVER LOAD
DETECT
STANDBY
SWITCH
Q471,472
OVER LOAD
DETECT
STANDBY
SWITCH
3
2
14
(Page 51)
(Page 71)
(Page 61)

Table of Contents

Related product manuals