EasyManua.ls Logo

Sony HCD-FL3 - Schematic Diagram - SUB TRANS Board

Sony HCD-FL3
170 pages
Print Icon
To Next Page IconTo Next Page
To Next Page IconTo Next Page
To Previous Page IconTo Previous Page
To Previous Page IconTo Previous Page
Loading...
HCD-FL3
3434
JW907
JW903
JW902
JW901
CN902
CN903
T901
F913
JW906
JW904
JW905
JW908
R904
CN901
C905 C902
C906 C903
IC901
F911
F912
S901
D905
D901D902
D904D903
D906
C901
R902
R901
Q901
RY901
3P
2P
10
50V
1000
16V
0.1 0.1
T2.5AL
250V
T2.5AL
250V
1SS133
11ES2N11ES2N
11ES2N11ES2N
1SS133
100
10V
10k
10k
2SC2785TP
STBY_RELAY
D-GND
(CHASSIS)
(AC IN)
2P
4P
(MX,AR,AUS)
(E2,E51,SP)
(E2,E51,SP)
CN902
EVER+4V
+4V REGULATOR
OI
G
D901-904
RECT
TRANSFORMER
POWER
SUB
(AUS,AR)
(MX)
F913
(MX,AR,AUS)
(E2,E51,SP)
220V
VOLTAGE SELECTOR
120V
230-240V
(E2,E51,SP)
(MX,AR,AUS)
(MX,AR,AUS)
(E2,E51,SP)
T2.5AL 250V
T5AL 250V
(AR,AUS)
(E2,E51,MX,SP)
-1
-2
(MX,AR,AUS)
RELAY
DRIVE
POWER
ON/OFF
µPC2933HF
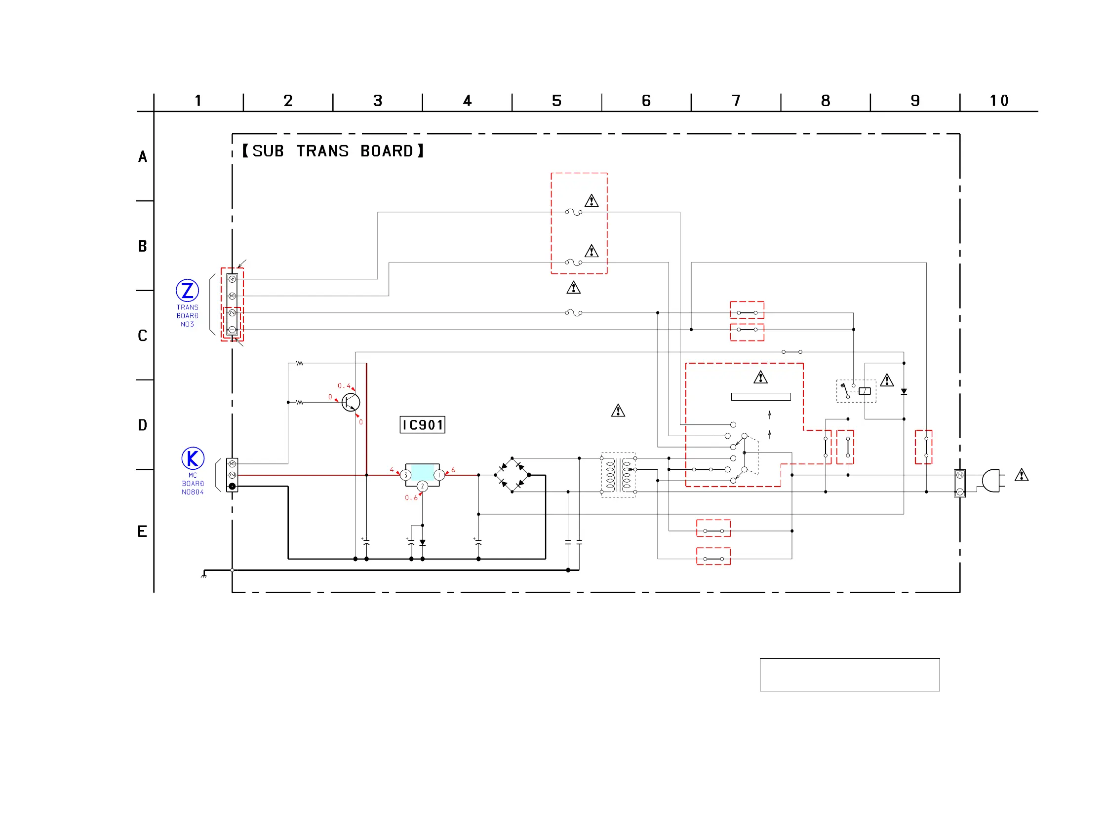
1-28. SCHEMATIC DIAGRAM – SUB TRANS Board –
•Voltages and waveforms are dc with respect to ground
under no-signal (detuned) conditions.
no mark : TUNER
The components identified by mark 0 or dotted
line with mark 0 are critical for safety.
Replace only with part number specified.
(Page 36)
(Page 13)

Table of Contents

Related product manuals