EasyManua.ls Logo

Sony HCD-FL3 - Schematic Diagram - PANEL Section

Sony HCD-FL3
170 pages
Print Icon
To Next Page IconTo Next Page
To Next Page IconTo Next Page
To Previous Page IconTo Previous Page
To Previous Page IconTo Previous Page
Loading...
HCD-FL3
6565
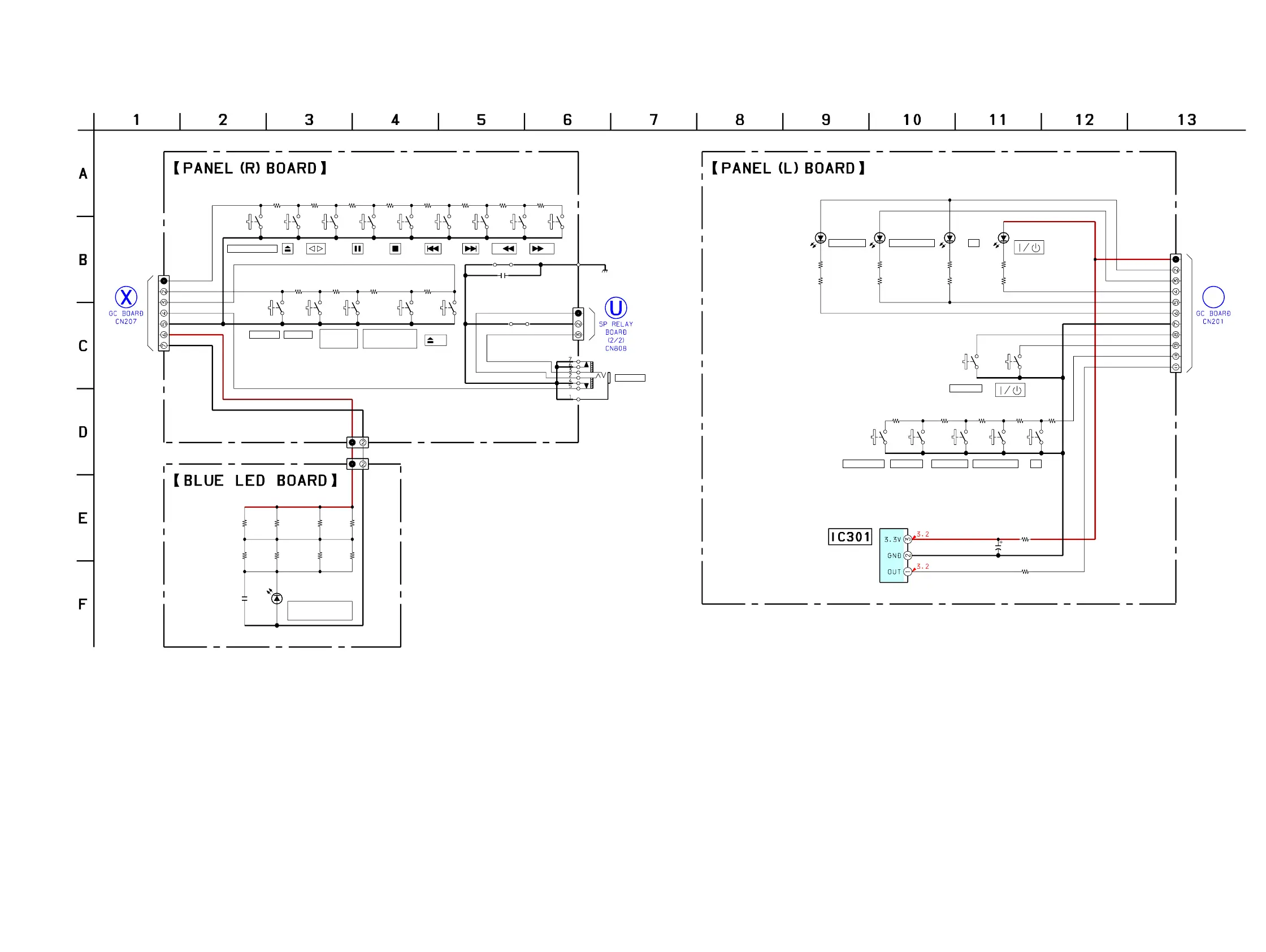
8-35. SCHEMATIC DIAGRAM – PANEL Section –
•Voltages and waveforms are dc with respect to ground
under no-signal (detuned) conditions.
no mark : TUNER
S301
S302
JW322
S312S311
R321 R322 R323 R324
R329 R330 R331 R332
R325 R326 R327 R328
S313 S314 S315 S316 S317 S318 S319
S320 S321 S322 S323 S324
J301
NO811
JW321
C313
R381 R382 R383 R384
R385 R386 R387 R388
C316
NO807A
NO807B
NO806
NO812
D302D303D304
R317R318
R302R303
R319
R304
R320
C301
R313
R314
IC301
R305R306R307R308R309
S303S304S305S306S307
R301
D301
D308
680 1k 1.5k 1.5k
680 1k 1.5k 1.5k
2.2k 3.3k 4.7k 6.8k
3P
0.01
4.7k 4.7k 4.7k 4.7k
4.7k 4.7k 4.7k 4.7k
1000p
2P
2P
7P
11P
SELS5923CSELS5923CSELS5923C
00
100100
0
100
0
47
10V 47
47
TSOP7000
6801k1.5k1.5k2.2k
220
SELS5223
SELU5E23C
CDTUNER/BANDDIGITAL
CD
EVER+3.3V
LED GND
D GND
DISPLEY KEY
POWER KEY
LED4
LED5
SIRCS
LED A
LED B
KEY0
HP SW
BLUE LED VCC
LED GND
D GND
KEYS RTN
HP-GND
HP-R
HP-L
EFFECT
KEY1
KEY2
DISC SELECT
GROOVE CD SYNC
HI-DUB
+-
REC
PAUSE/START
B
PHONES
(CHASSIS)
MULTI CHANNEL
DECODING
TUNER/BANDTAPE A/B
DISPLAY
REMOTE
CONTROL
RECEIVER
TAPE A/BMD(VIDEO)
W
(Page 63)
(Page 61)
(Page 63)

Table of Contents

Related product manuals