EasyManua.ls Logo

Sony HCD-FL3 - Schematic Diagram - REGULATOR Board

Sony HCD-FL3
170 pages
Print Icon
To Next Page IconTo Next Page
To Next Page IconTo Next Page
To Previous Page IconTo Previous Page
To Previous Page IconTo Previous Page
Loading...
HCD-FL3
5959
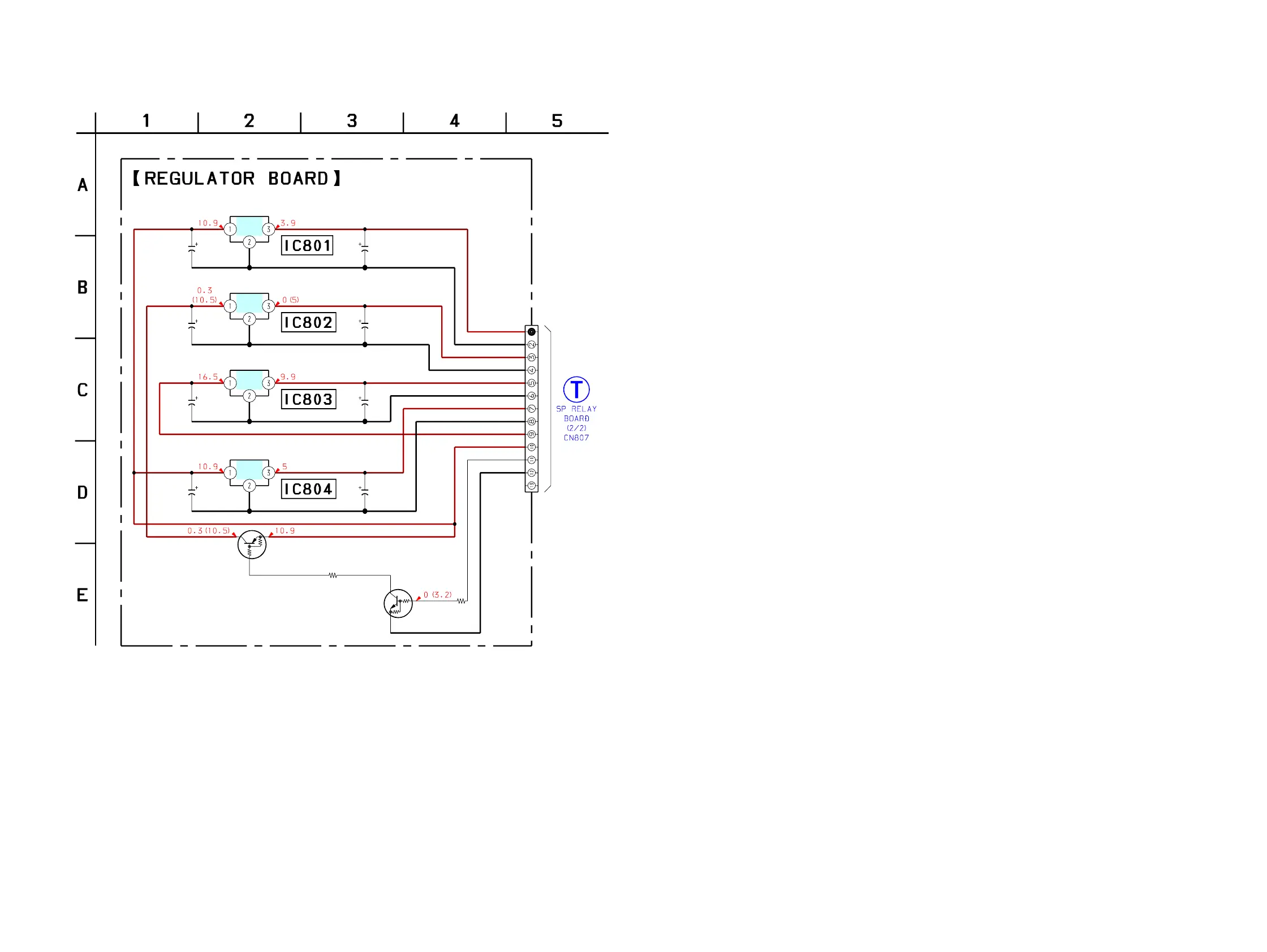
8-29. SCHEMATIC DIAGRAM – REGULATOR Board –
•Voltages and waveforms are dc with respect to ground
under no-signal (detuned) conditions.
no mark : TUNER
C878
C879C871
C870
C880C872
C873 C881
Q865
NO704
R873
Q864
IC804
IC803
IC801
IC802
R887
10
16V
10
16V
0.1
50V
0.1
50V
10
16V
0.1
50V
0.1
50V
10
16V
BA1A4M
13P
0
RT1P137L
TA7805S
TA7810S
TA7805S
100
+5V REGULATOR
Q864,865
B+ SWITCH
OI
G
OI
G
OI
G
OI
G
+5V REGULATOR
+4V REGULATOR
+10V REGULATOR
µPC3504AHF
(Page 61)

Table of Contents

Related product manuals