EasyManua.ls Logo

Sony HCD-FL3 - Schematic Diagram - SW Board

Sony HCD-FL3
170 pages
Print Icon
To Next Page IconTo Next Page
To Next Page IconTo Next Page
To Previous Page IconTo Previous Page
To Previous Page IconTo Previous Page
Loading...
HCD-FL3
4343
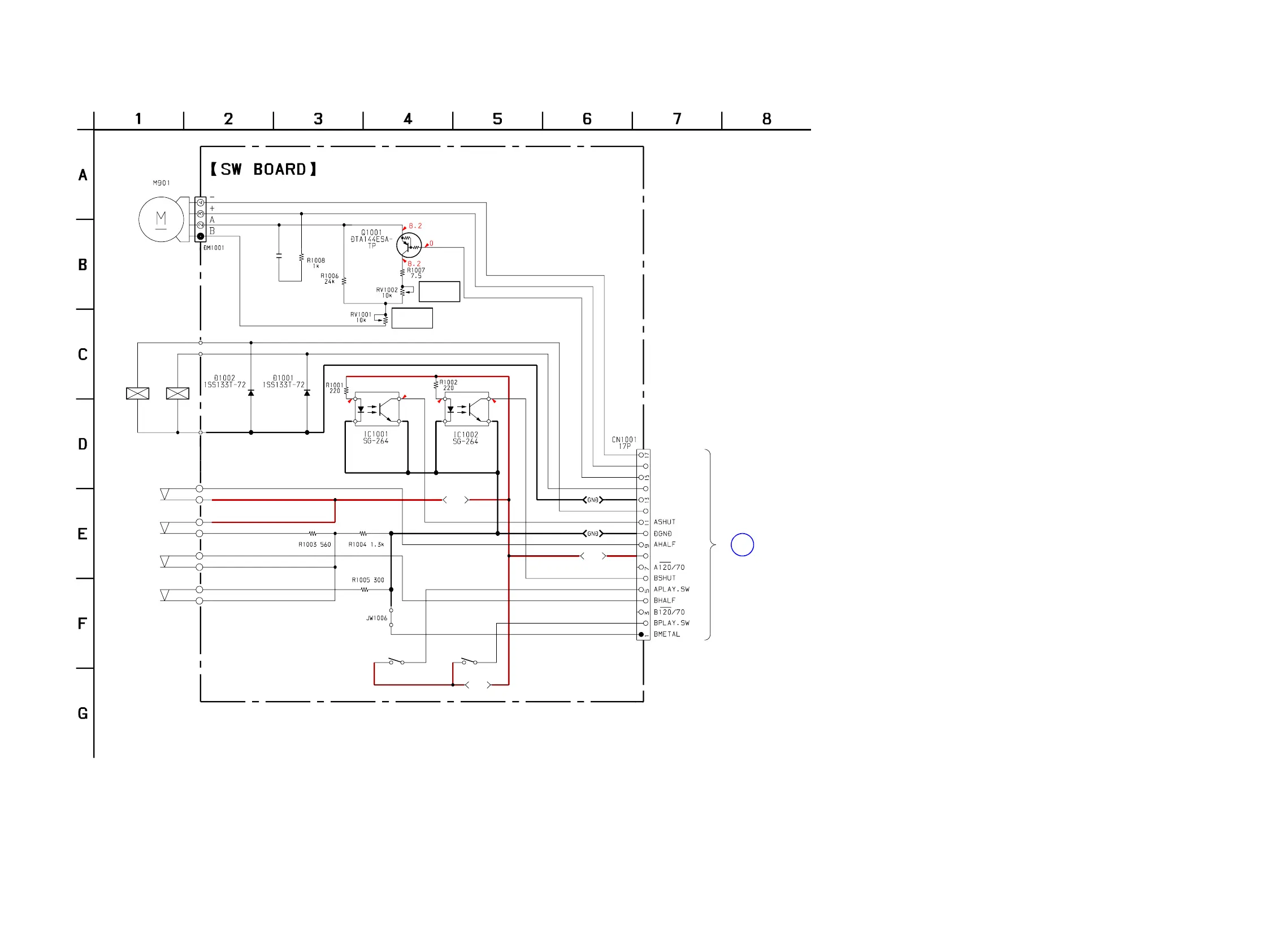
8-14. SCHEMATIC DIAGRAM – SW Board –
•Voltages and waveforms are dc with respect to ground
under no-signal (detuned) conditions.
no mark : TUNER
E
MC BOARD
CN109
[3.3]
[3.3]
[] {2.9}
<<2.9>>
[1.5]
{} <<>>
(CAPSTAN)
CAPSTAN MOTOR
CONTROL SWITCH
TAPE SPEED
(NORMAL)
TAPE SPEED
(HIGH)
ROTATION
DETECT
SENSOR (DECK A)
ROTATION
DETECT
SENSOR (DECK B)
+3.3V
+3.3V
CAPM
CAPM+
CAPMH/L
ATRGM+
TRGMGND
BTRGM+
S1001
(DECK A PLAY)
S1002
(DECK B PLAY)
S1003
(DECK A HALF)
S1005
(DECK A REC)
S1006
(DECK B HALF)
S1009
(DECK B REC)
C1001
33
10V
PM902
(DECK B)
PM901
(DECK A)
+3.3V
+3.3V
(Page 47)

Table of Contents

Related product manuals