EasyManua.ls Logo

Sony HCD-FL3 - Schematic Diagram - MIC Board

Sony HCD-FL3
170 pages
Print Icon
To Next Page IconTo Next Page
To Next Page IconTo Next Page
To Previous Page IconTo Previous Page
To Previous Page IconTo Previous Page
Loading...
HCD-FL3
6767
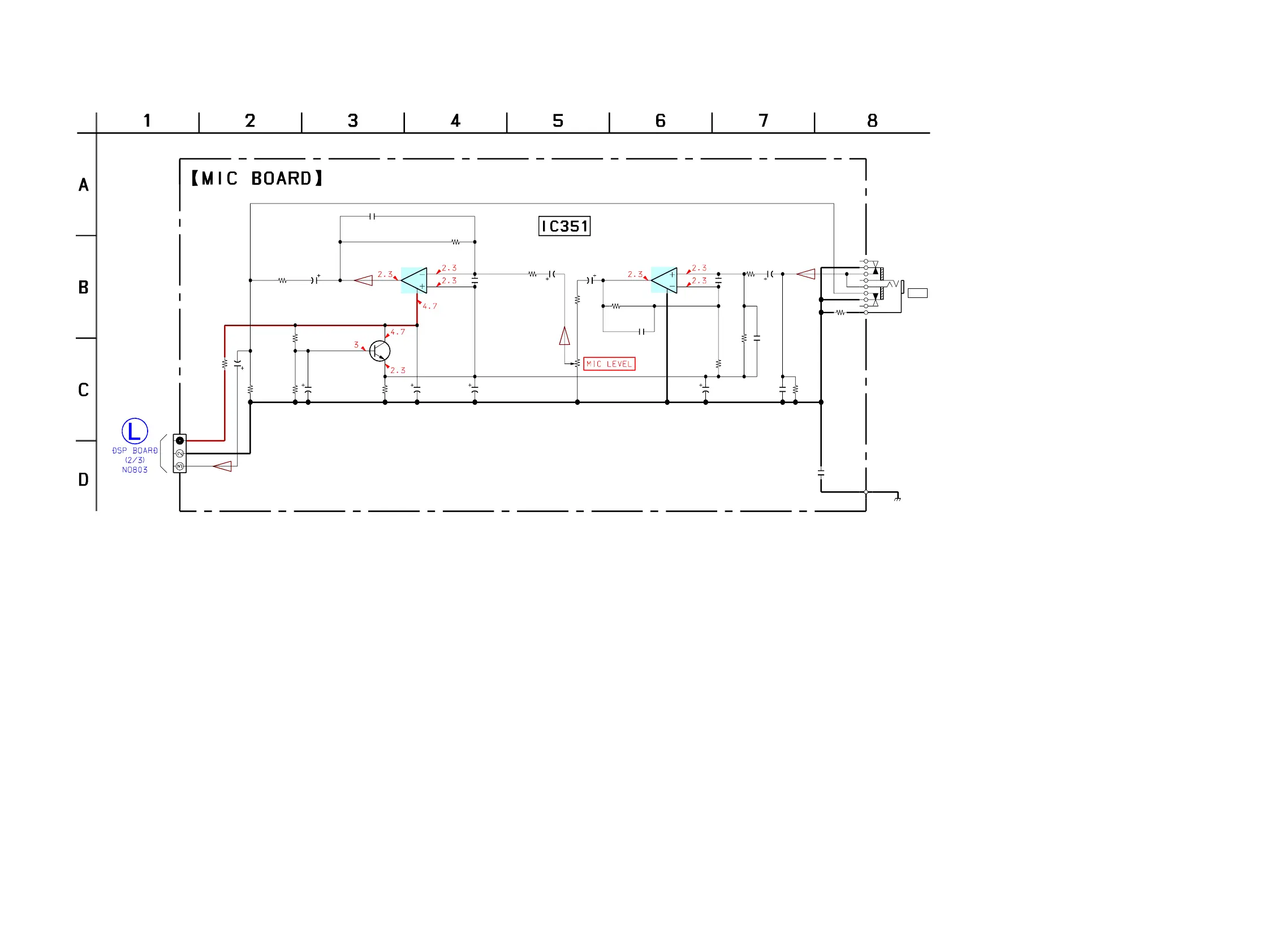
8-37. SCHEMATIC DIAGRAM – MIC Board –
•Voltages and waveforms are dc with respect to ground
under no-signal (detuned) conditions.
no mark : TUNER
J351
C381
IC351(1/2)IC351(2/2)
CN318
C360
R360
R361
R364
C364
R363
Q351
R362
C362C363
R359
C361
R358
R357
C358
C359
R356
C356
R355 C357
RV351
R352
C351
C355
R353
C353
R354
C352
R351
C365
C354
FB351
100
16V
NJM4580E-D(T1)NJM4580E-D(T1)
3P
100p
10k
10k
0
10
50V
100k
2SC2785
1k
10
50V
100
16V
100
2.2
50V
150k
10k
2.2
50V
47p
100
0.1
50V
2.2k 470p
50k
1k
0.22
50V
47p
100k
0.001
1k
0.01
10k
0.001
10
50V
0
MIC
+10V
MIC
MIC GND
(CHASSIS)
MIC
CONTROL
MIC AMP
1
4
2
3
7
8
5
6
(Page 51)

Table of Contents

Related product manuals