EasyManua.ls Logo

Sony HCD-FL3 - Schematic Diagram - TRANS Board

Sony HCD-FL3
170 pages
Print Icon
To Next Page IconTo Next Page
To Next Page IconTo Next Page
To Previous Page IconTo Previous Page
To Previous Page IconTo Previous Page
Loading...
HCD-FL3
7171
JW921
JW922
JW923
JW917
JW916
CN915
CN916
CN914
R913
T911
NO3
F918
F919
R912
D911
R914
Q971
R915
R916R917
F914
F915
C915
D913 D912
D914 C913C914
6P
8P
7P
0.68
T5AL
250V
T4AL
250V
11ES2N
-TB5
1k
2SA1932
10k
100100
8A
250V
8A
250V
100
50V
RD6.2F
-T7B2
MTZJ-T-72
-39A
MTZJ-T-72
-3.6A
100
50V
1
50V
D-GND
VP
VF
VF
AC2(VH)
AC2(VH)
AC1(VL)
AC1(VL)
AC3(MOTOR)
AC3(MOTOR)
AC4(PRE)
AC4(PRE)
AC2(VH)
AC2(VH)
AC1(VL)
AC1(VL)
N.C.
AC GND
AC GND
AC GND
AC GND
-42V
REGULATOR
TRANSFORMER
POWER
MAIN
230/240
220
120
NEURAL
(AUS)
(AR)
2P
4P
(MX,AR,AUS)
(E2,E51,SP)
(E2,E51,MX,SP)
NO3
(E2,E51,SP)
D911
RECT
(MX,AR,AUS)
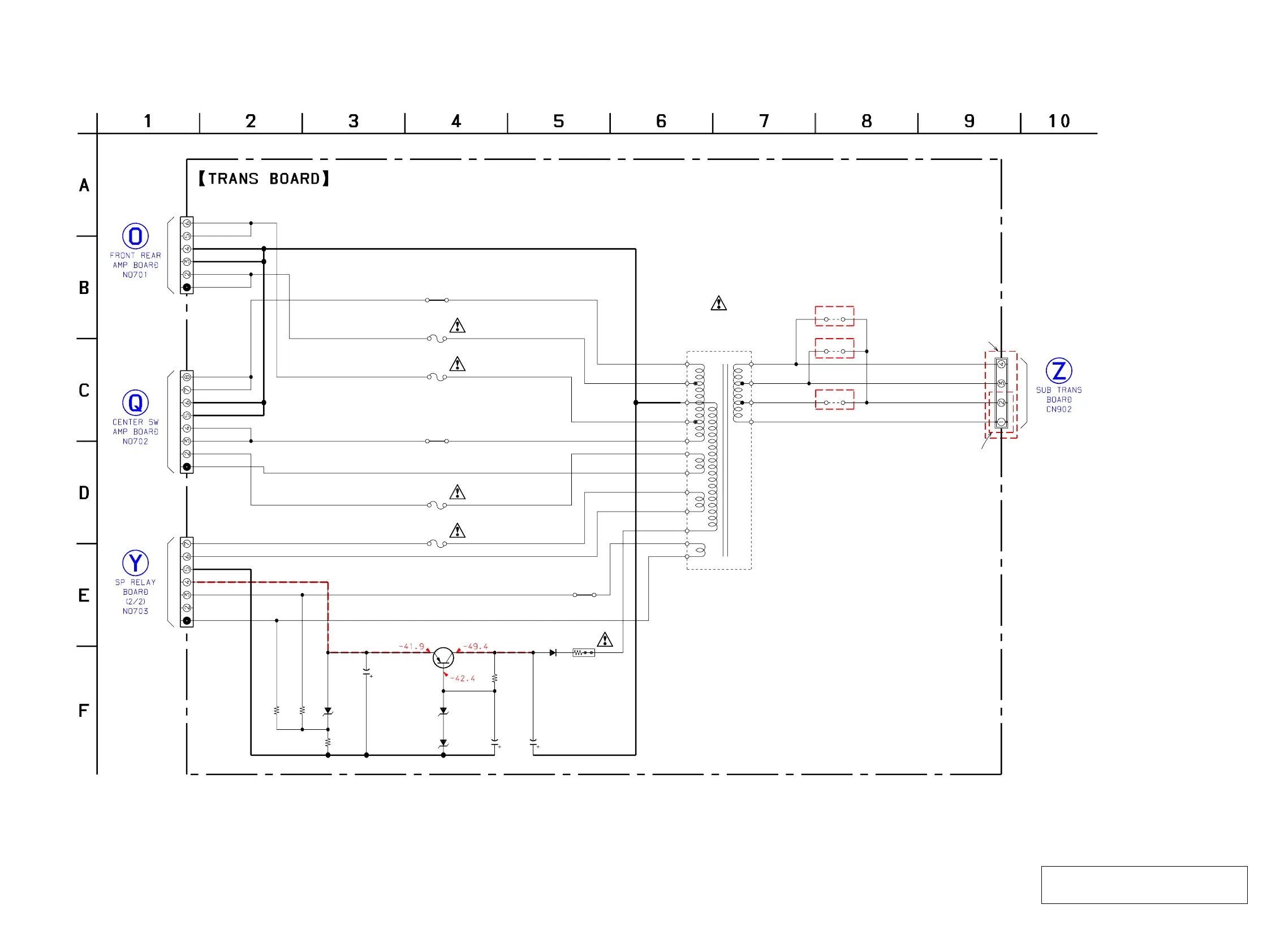
8-41. SCHEMATIC DIAGRAM – TRANS Board –
•Voltages and waveforms are dc with respect to ground
under no-signal (detuned) conditions.
no mark : TUNER
The components identified by mark 0 or dotted
line with mark 0 are critical for safety.
Replace only with part number specified.
(Page 55)
(Page 57)
(Page 61)
(Page 69)

Table of Contents

Related product manuals