EasyManua.ls Logo

Sym Quad Lander 300 - Ignition System Service

Sym Quad Lander 300
244 pages
Print Icon
To Next Page IconTo Next Page
To Next Page IconTo Next Page
To Previous Page IconTo Previous Page
To Previous Page IconTo Previous Page
Loading...
17. ELECTRICAL SYSTEM
17-8
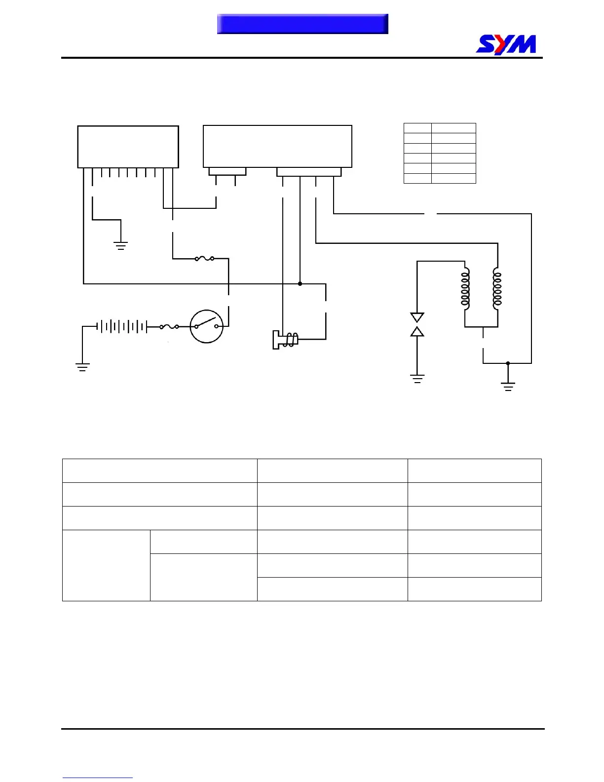
Ignition System
Ignition circuit diagram
C.D.I unit
Disconnect connectors of the C.D.I unit.
Check the following connectors as indicated in the table at the harness side.
Item Points to check Result
Main switch turn to “ON” position Black/white ~ green Battery voltage
Pulse generator Green/White ~ Blue/yellow 50~170
Primary circuit Black/yellow ~ green
0.17±10%
Black/yellow ~ with no cap
3.6±10%
Ignition coil
Secondary circuit
Black/yellow ~ with cap 7.3~11K
Main switch
Shift gear control unit
Pulse generator
Spark plug
Ignition
coil
CDI. Unit
G
B/Y
G
W/B
G/W
L/Y
B/W
To this chapter contents
G
Main fuse
30A
Fuse 15A
B
Battery
B Black
R Red
G Green
W White
Y Yellow
L Blue

Table of Contents

Related product manuals