EasyManua.ls Logo

Sym Quad Lander 300 - 18. ELECTRICAL DIAGRAM; Wiring Diagram

Sym Quad Lander 300
244 pages
Print Icon
To Next Page IconTo Next Page
To Next Page IconTo Next Page
To Previous Page IconTo Previous Page
To Previous Page IconTo Previous Page
Loading...
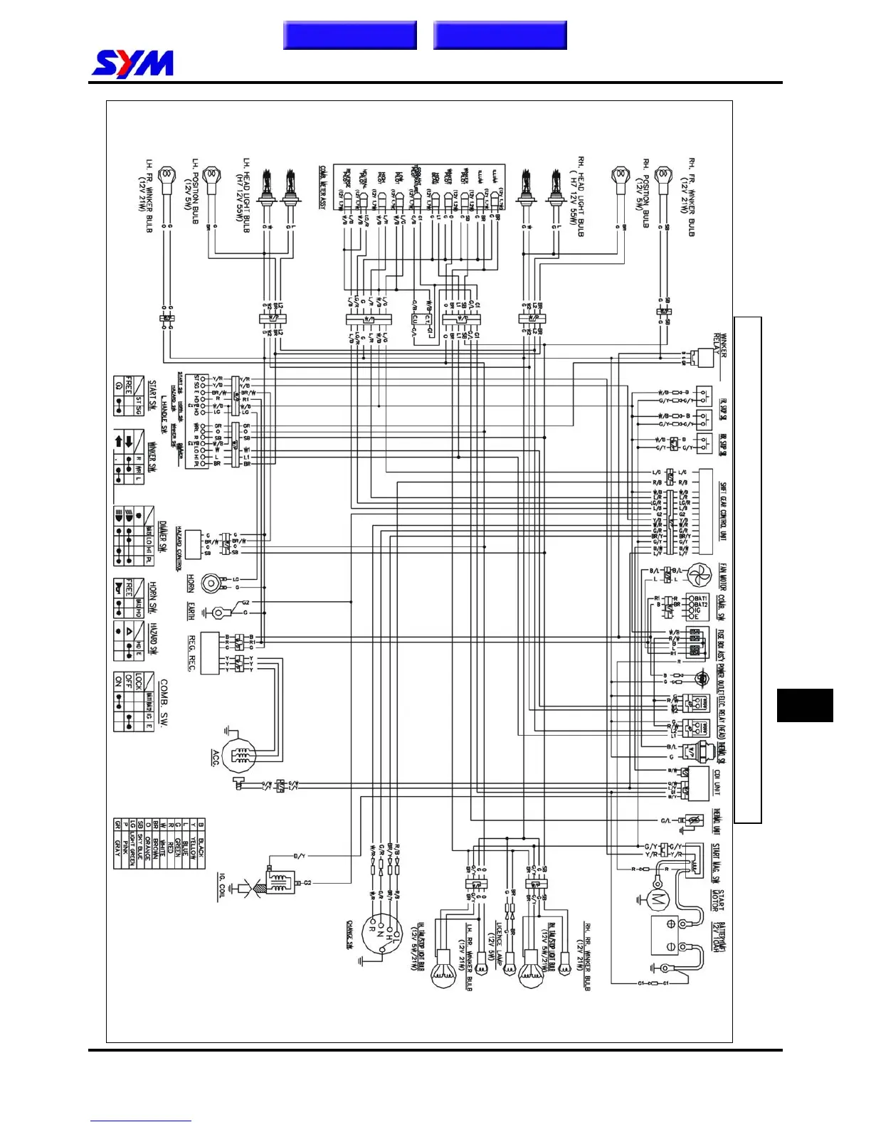
18. ELECTRICAL DIAGRAM
18-1
18
Home page
Contents
QUAD LANDER 300 ELECTRICAL DIAGRAM

Table of Contents

Related product manuals