EasyManua.ls Logo

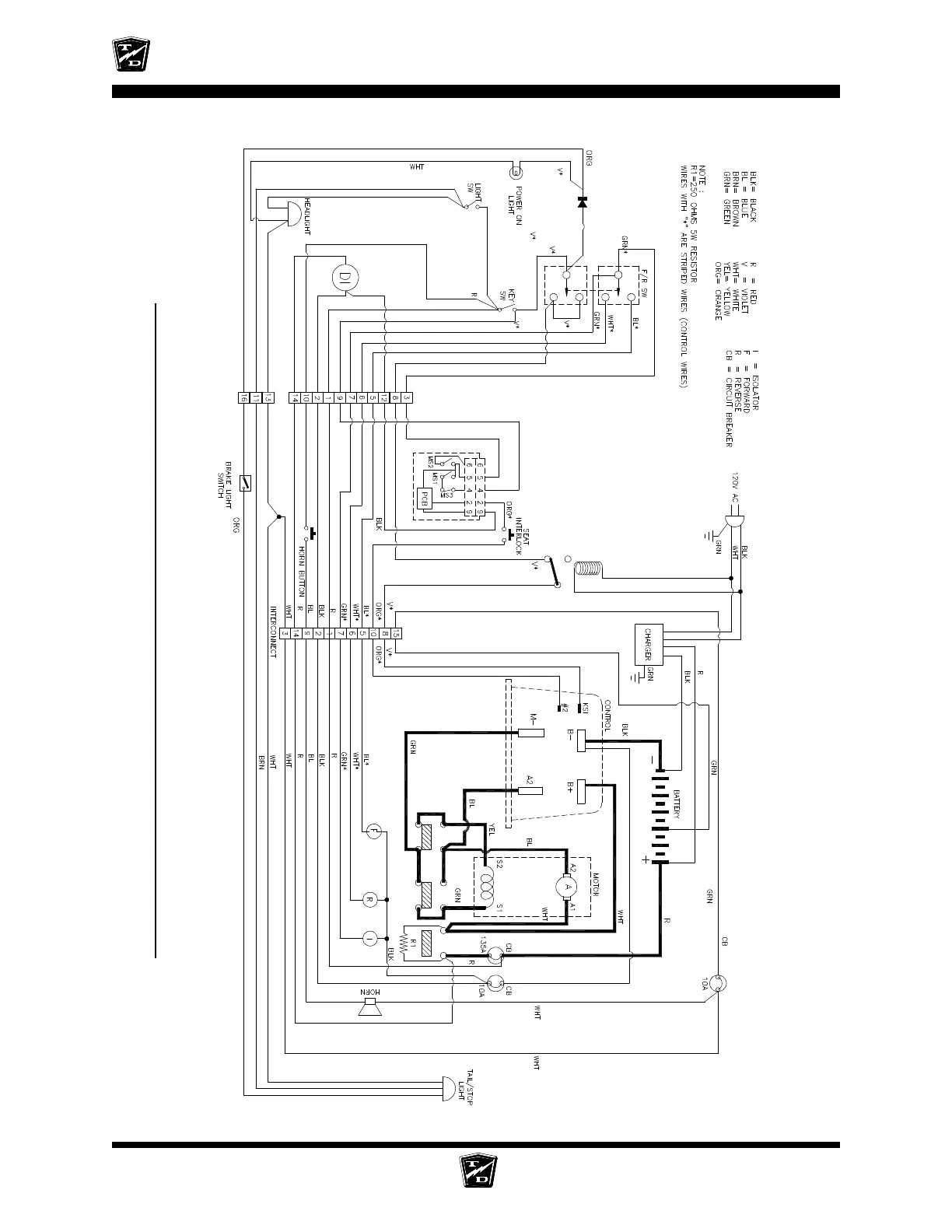
Taylor-Dunn MX6-00 - Dual Chassis Harness Wire Diagram

Taylor-Dunn MX6-00
200 pages
Print Icon
To Next Page IconTo Next Page
To Next Page IconTo Next Page
To Previous Page IconTo Previous Page
To Previous Page IconTo Previous Page
Loading...
ELECTRICAL TROUBLESHOOTING
SECTION 4a Wire Diagrams Page 2
* - Charger interlock relay may be located in the charger cabinet
*Optional Charger
Interlock Relay
Model SS 5-34, SS 5-36 abd SS 5-46 with the Dual Chassis Harness

Table of Contents

Related product manuals