EasyManua.ls Logo

Taylor-Dunn MX6-00 - Differential Assemblies

Taylor-Dunn MX6-00
200 pages
Print Icon
To Next Page IconTo Next Page
To Next Page IconTo Next Page
To Previous Page IconTo Previous Page
To Previous Page IconTo Previous Page
Loading...
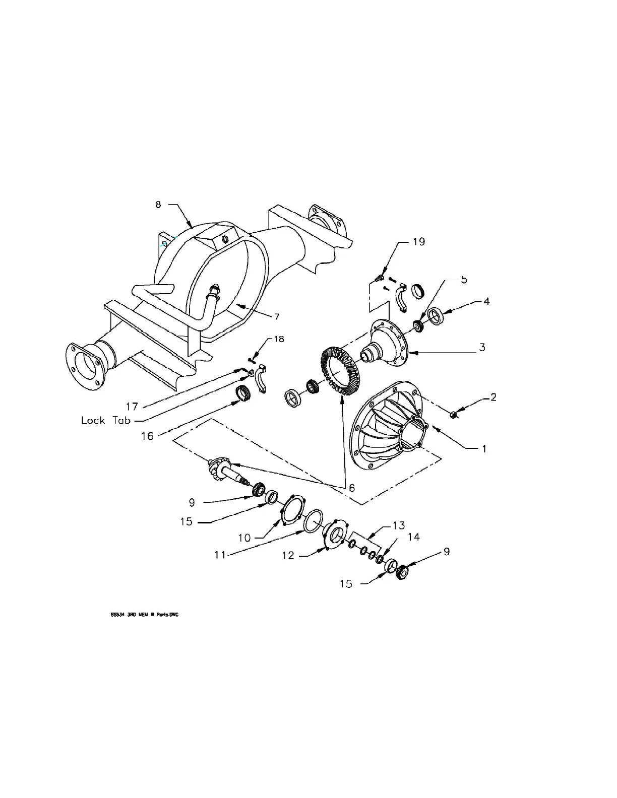
5-30
ILLUSTRATED PARTS
DIFFERENTIAL (SS5-34)

Table of Contents

Related product manuals