EasyManua.ls Logo

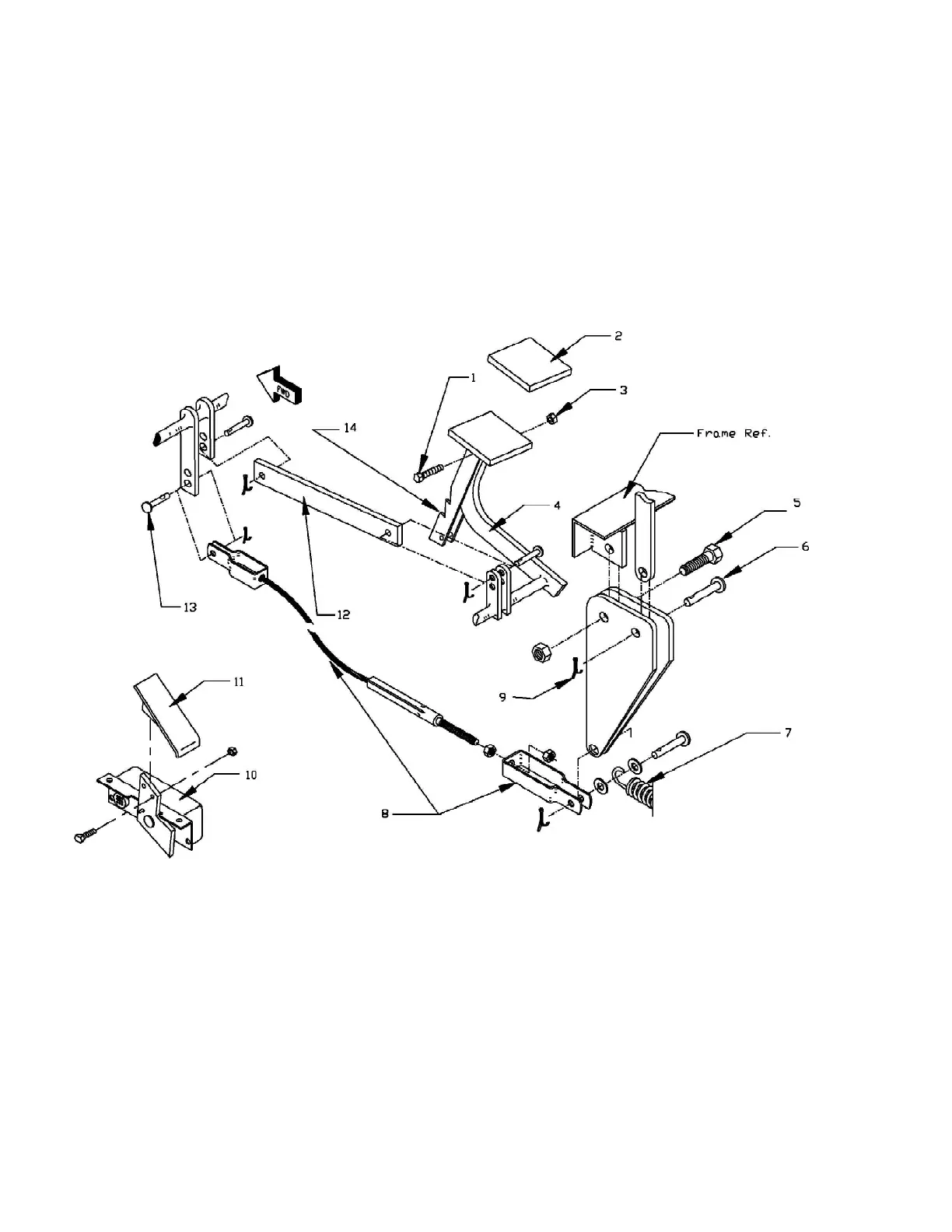
Taylor-Dunn MX6-00 - Brake Pedal Linkage and Accelerator Pedal (SS5-34)

Taylor-Dunn MX6-00
200 pages
Print Icon
To Next Page IconTo Next Page
To Next Page IconTo Next Page
To Previous Page IconTo Previous Page
To Previous Page IconTo Previous Page
Loading...
5-4
ILLUSTRATED PARTS
BRAKE PEDAL LINKAGE AND
ACCELERATOR PEDAL (SS5-34)

Table of Contents

Related product manuals