EasyManua.ls Logo

Tektronix KEITHLEY 2450-EC - Page 34

Tektronix KEITHLEY 2450-EC
93 pages
To Next Page IconTo Next Page
To Next Page IconTo Next Page
To Previous Page IconTo Previous Page
To Previous Page IconTo Previous Page
Loading...
Models 2450
-EC, 2460-EC, and 2461-EC Potentiostats And Galvanostats User's Manual Section 2:
Cyclic Voltammetry
077110402/November 2016 2-19
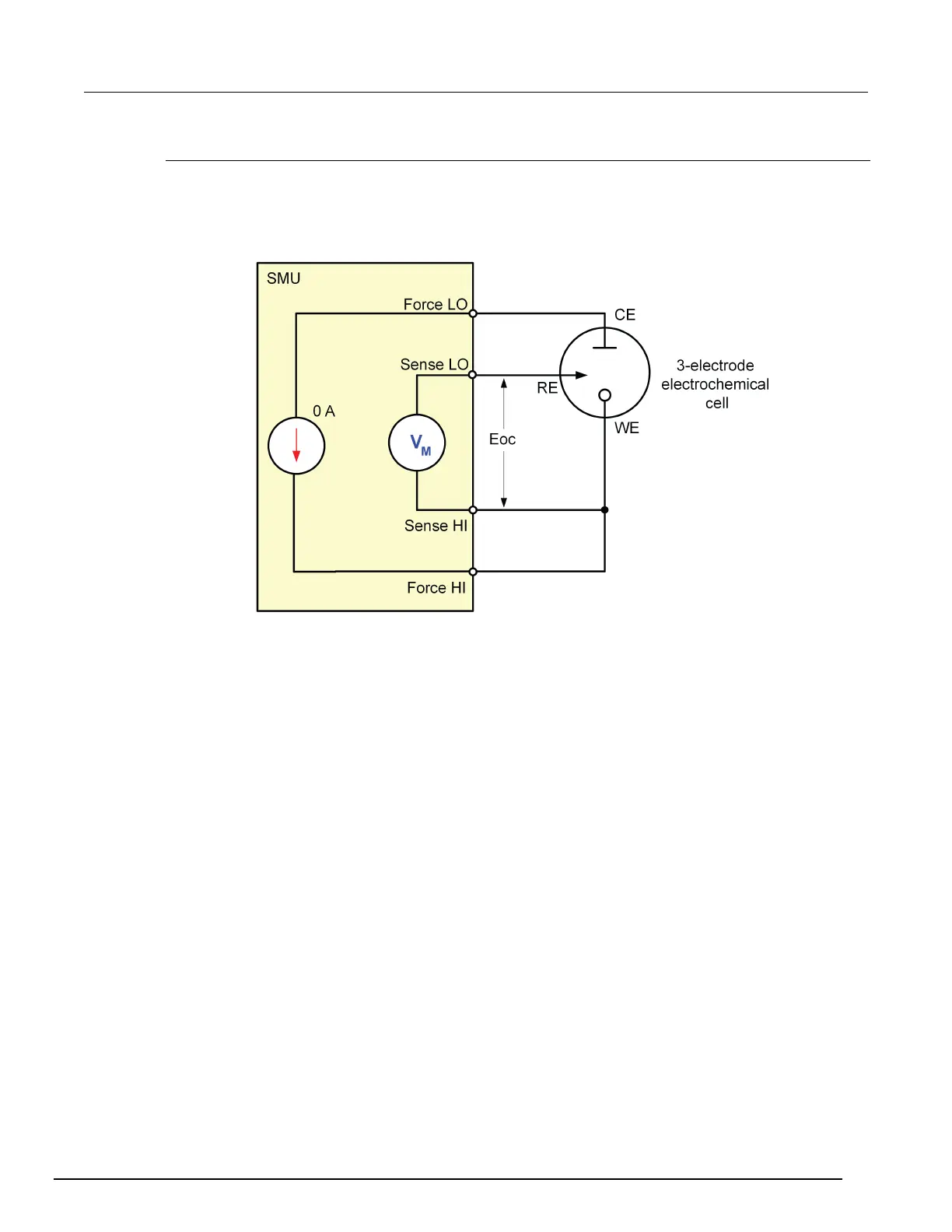
Open circuit potential theory
When the open circuit potential is measured, no current or voltage is applied to the cell. This voltage
measurement is made using the galvanostat to source current and measure voltage (see the next
figure). The instrument sources 0 A on the 1e-6 range using a 4-wire configuration.
Figure 42: Measuring open circuit potential of an electrochemistry cell
You can use this potential measurement as the zero measurement when defining the voltage
vertices. When you do this, the Eoc measurement gets added to the voltage.

Table of Contents

Related product manuals