EasyManua.ls Logo

THERMACUT EX-TRAFIRE 45HD - Block Diagram

THERMACUT EX-TRAFIRE 45HD
64 pages
Print Icon
To Next Page IconTo Next Page
To Next Page IconTo Next Page
To Previous Page IconTo Previous Page
To Previous Page IconTo Previous Page
Loading...
EX-TRAFIRE
®
45HD 14 Block diagram
EN - 43
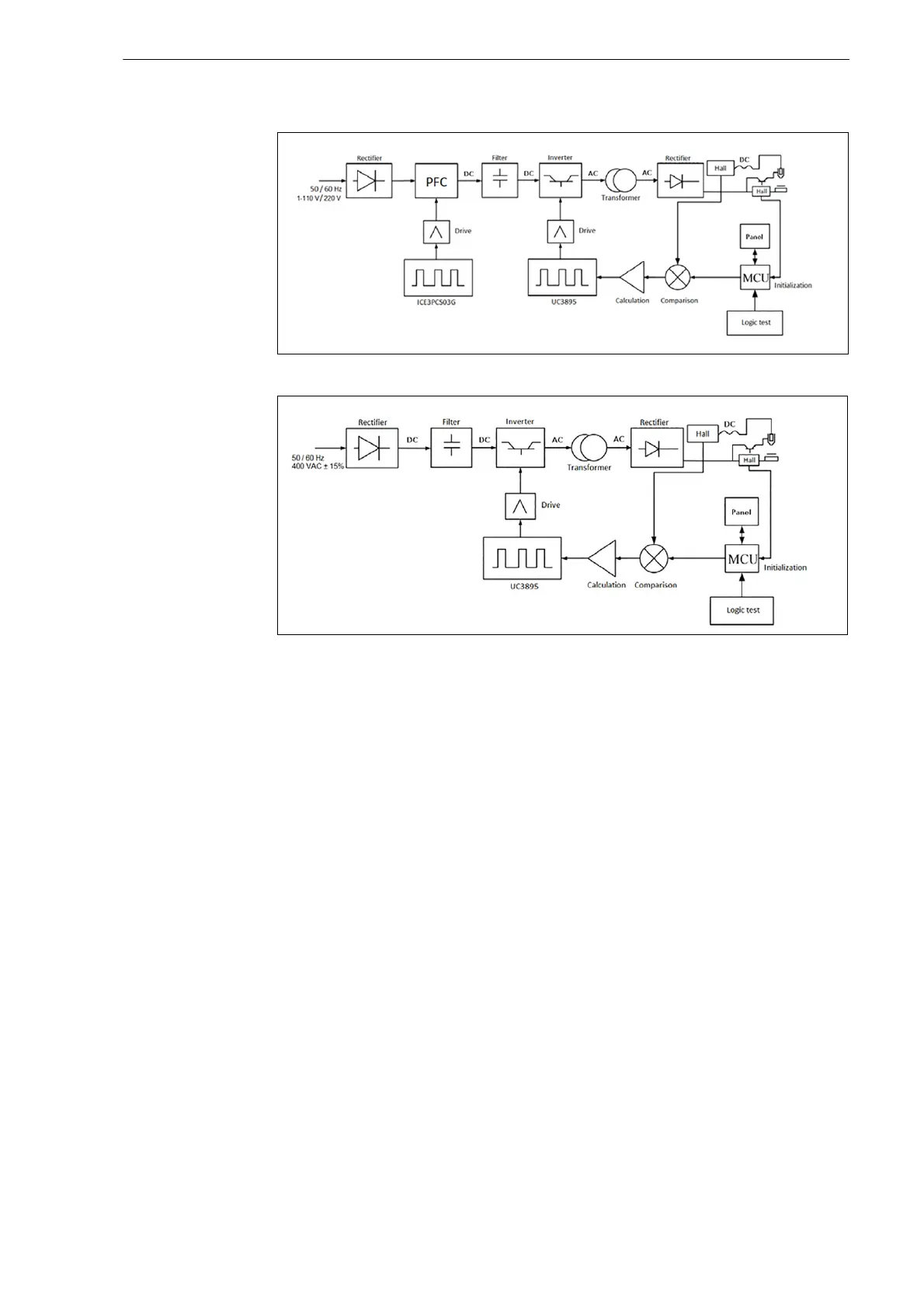
14 Block diagram
Fig. 8 Block diagram single-phase
Fig. 9 Block diagram three-phase

Table of Contents

Related product manuals