EasyManua.ls Logo

THRUSH S2R – G10 - Page 197

THRUSH S2R – G10
209 pages
Print Icon
To Next Page IconTo Next Page
To Next Page IconTo Next Page
To Previous Page IconTo Previous Page
To Previous Page IconTo Previous Page
Loading...
THRUSH AIRCRAFT, INC - MODEL S2R-G10
AIRCRAFT MAINTENANCE MANUAL
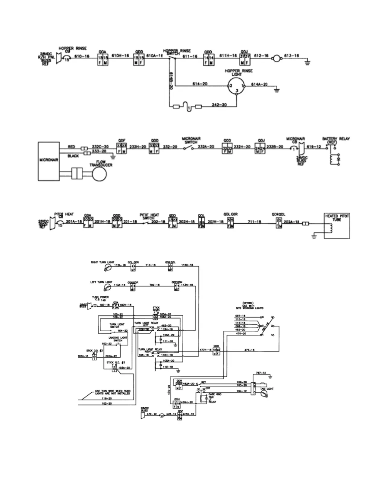
Figure 10-37: Hopper Rinse System Wiring Diagram
Figure 10-38: Micronair System Wiring Diagram
Figure 10-39: Pitot Heat System Wiring Diagram
Figure 10-40: Night Working Lights Wiring Diagram
Page Effective: 03/26/2010 10-22

Table of Contents

Related product manuals