EasyManua.ls Logo

THRUSH S2R – G10 - Page 198

THRUSH S2R – G10
209 pages
Print Icon
To Next Page IconTo Next Page
To Next Page IconTo Next Page
To Previous Page IconTo Previous Page
To Previous Page IconTo Previous Page
Loading...
THRUSH AIRCRAFT, INC - MODEL S2R-G10
AIRCRAFT MAINTENANCE MANUAL
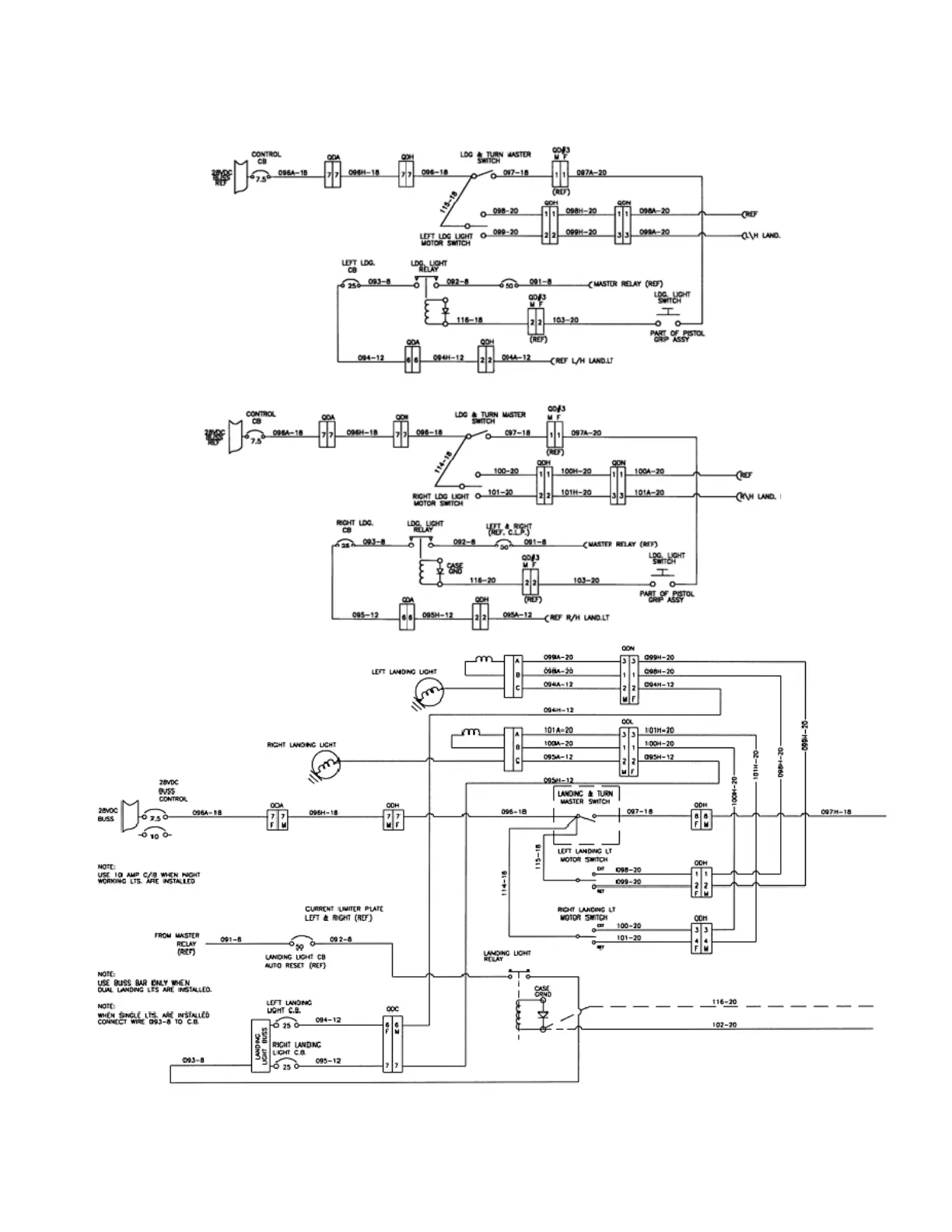
Figure 10-40: Night Working Lights Wiring Diagram (Continued)
Effective: 03/26/2010 Page 10-23

Table of Contents

Related product manuals