EasyManua.ls Logo

Toradex Verdin - Page 88

Toradex Verdin
111 pages
Print Icon
To Next Page IconTo Next Page
To Next Page IconTo Next Page
To Previous Page IconTo Previous Page
To Previous Page IconTo Previous Page
Loading...
Verdin Carrier Board Design Guide
Preliminary Subject to Change
Toradex AG l Ebenaustrasse 10 l 6048 Horw l Switzerland l +41 41 500 48 00 l www.toradex.com l info@toradex.com
Page | 88
3.5.5.3 Inputs without Backfeeding Path
Certain interfaces have different input circuits that are not prone to backfeeding or are having
backfeeding prevention built-in. Some interfaces use a different ESD protection approach and
therefore do not offer a backfeeding path. An example of an interface with built-in backfeeding
prevention is the USB interface of the Verdin module. The USB cable can be connected to a
powered peripheral or host device, even if the Verdin module is powered off. In this situation, the
USB_1_VBUS can carry 5V, or the USB 2.0 data signals could be pulled up to 3.3V. The Verdin
module already prevents backfeeding over the USB_1_VBUS and the USB data signals. Therefore,
no further backfeeding prevention is required for these signals on the carrier board.
Whenever you are selecting peripheral devices, it is advised to check whether the input pins of the
device have any built-in protection again backfeeding. Using such a device can eliminate
complicated external circuits required for backfeeding prevention.
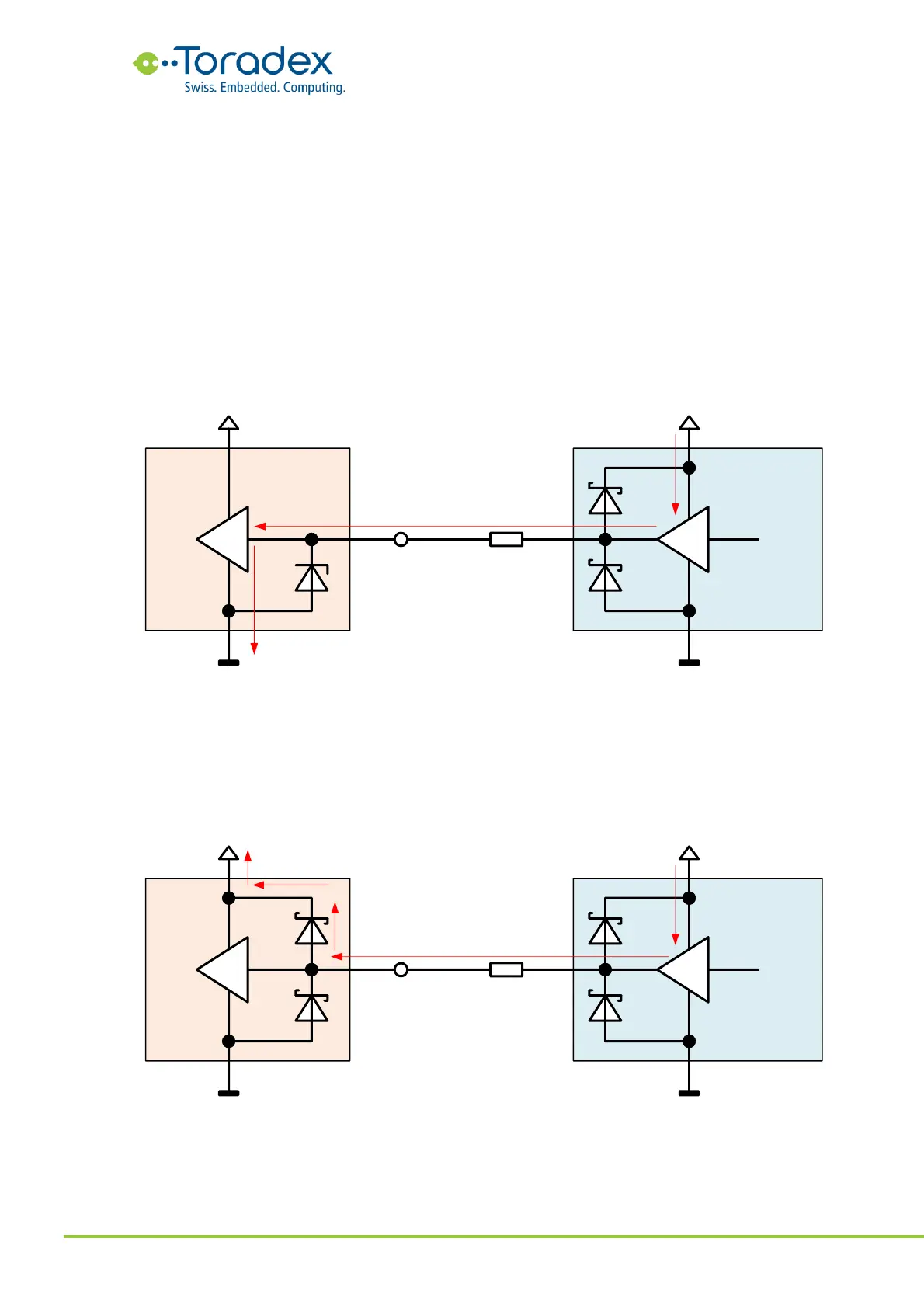
Figure 75: Input without backfeeding path
3.5.5.4 Series Resistor
For low-speed signals, a simple and cost-effective method can be using a higher value series
resistor. Of course, this only works if the input impedance is big enough and the parasitic capacity
is small enough (in order not to degrade the signal quality). The series resistor does not eliminate
backfeeding entirely, but it limits the current and, therefore, also the residual voltage.
Figure 76: Series resistor for limiting backfeeding
PeripheralSoC
IO Rail (off)
RX
Module Pin
Peripheral Rail (on)
TX
22R
0V 1.8V
1.8V1.8V
High
PeripheralSoC
IO Rail (off)
RX
Module Pin
Peripheral Rail (on)
TX
1k
0.1V 1.8V
1.8V0.4V
High

Table of Contents

Related product manuals