EasyManua.ls Logo

Toradex Verdin - Page 89

Toradex Verdin
111 pages
Print Icon
To Next Page IconTo Next Page
To Next Page IconTo Next Page
To Previous Page IconTo Previous Page
To Previous Page IconTo Previous Page
Loading...
Verdin Carrier Board Design Guide
Preliminary Subject to Change
Toradex AG l Ebenaustrasse 10 l 6048 Horw l Switzerland l +41 41 500 48 00 l www.toradex.com l info@toradex.com
Page | 89
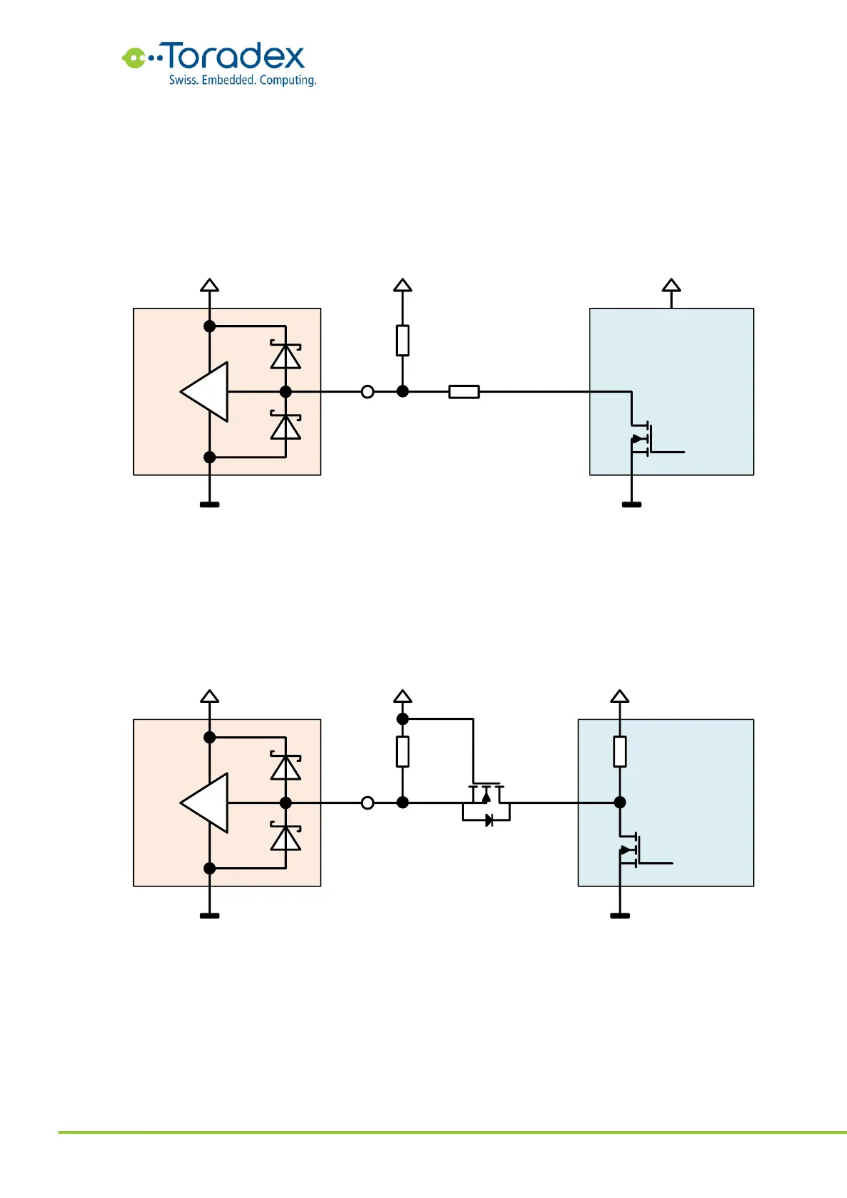
3.5.5.5 Open Drain Signals
When using open-drain signals, it is crucial to use the right voltage domain for the pull-up resistor.
In Figure 67, the peripheral rail is used, and therefore backfeeding occurs. By using the same
voltage domain for the pull-up resistor as the input side, backfeeding is eliminated. When using a
computer module, using the IO rail might not be feasible. However, the Verdin module features
the PWR_1V8_MOCI voltage output, which is in the same power domain as the IO rail. Therefore,
it is recommended to use this PWR_1V8_MOCI for open-drain pull-up resistors.
Figure 77: Correct pull-up rail for open-drain signals
3.5.5.6 Simple FET Circuit for Open-Drain Signals
Sometimes, it is impossible to move the pull-up resistor to the IO rail domain since there is already
a pull-up resistor on the peripheral rail. Maybe this pull-up resistor is inside the peripheral device
and cannot be switched off. The simple FET circuit in Figure 78 can offer a solution for blocking
backfeeding. This circuit also works for bidirectional open-drain signals such as I
2
C and can be
used as a low-cost level shifter.
Figure 78: Simple FET circuit for open-drain signals
Open-Drain
Peripheral
SoC
IO Rail (off)
RX
Module Pin
22R
0V
0V0V
Low
1k
Peripheral Rail (on)
1.8V0V
PWR_1V8_MOCI (off)
Open-Drain
Peripheral
SoC
IO Rail (off)
RX
0V
1.8V0V
Low
1k
Peripheral Rail (on)
1.8V0V
PWR_1V8_MOCI (off)

Table of Contents

Related product manuals