EasyManua.ls Logo

Toshiba TS3000 Series - Section 3 Teaching Operation; 3.1 Selecting the Teaching Mode

Toshiba TS3000 Series
368 pages
To Next Page IconTo Next Page
To Next Page IconTo Next Page
To Previous Page IconTo Previous Page
To Previous Page IconTo Previous Page
Loading...
OPERATOR’S MANUALseries Robot Controller
Section 3 Teaching Operation
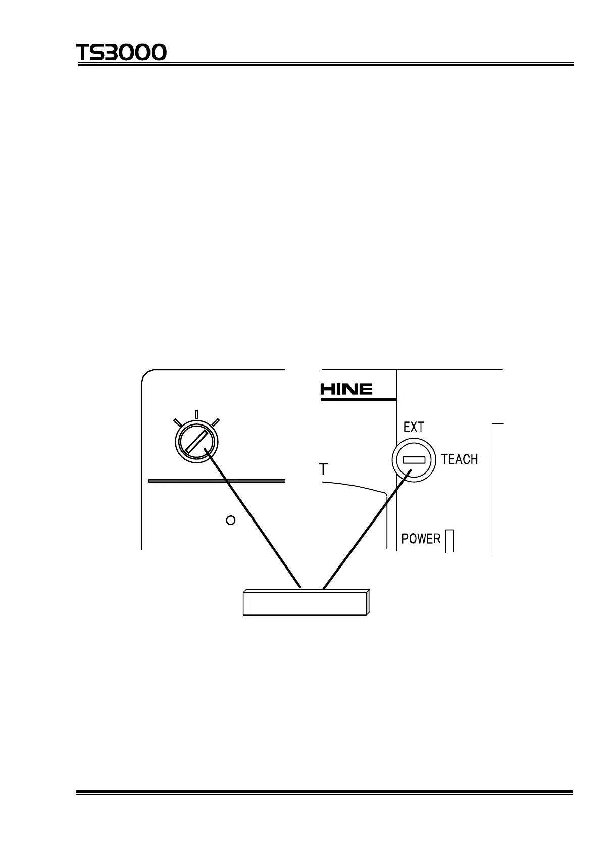
3.1 Selecting the Teaching Mode
(1) Function
Changes over to the teaching mode in which the robot is manually guided,
points are taught, files are operated and the system is controlled.
(2) Procedures
(a) Step 1: Teaching mode selection.
Change over the master mode select [MODE] switch on the control panel to
select "TEACHING."
EMERGENCY
TEACHING
INTERNAL
EXT
SERVO
ON
SERVO
OFF
RUN STOP UF2
UF1
POWER
LINE
USER
ALARM
TP
SELECT
TSL3000 TS3000
Select “TEACHING.”
STE 80720
– 3-1

Table of Contents

Related product manuals