EasyManua.ls Logo

TR-Electronic CDH 75 M - Page 28

TR-Electronic CDH 75 M
Print Icon
To Next Page IconTo Next Page
To Next Page IconTo Next Page
To Previous Page IconTo Previous Page
To Previous Page IconTo Previous Page
Loading...
Montage
TR-Electronic GmbH 2009, All Rights Reserved Printed in the Federal Republic of Germany
Page 28 of 108 TR - ECE - BA - DGB - 0070 - 17 12/13/2018
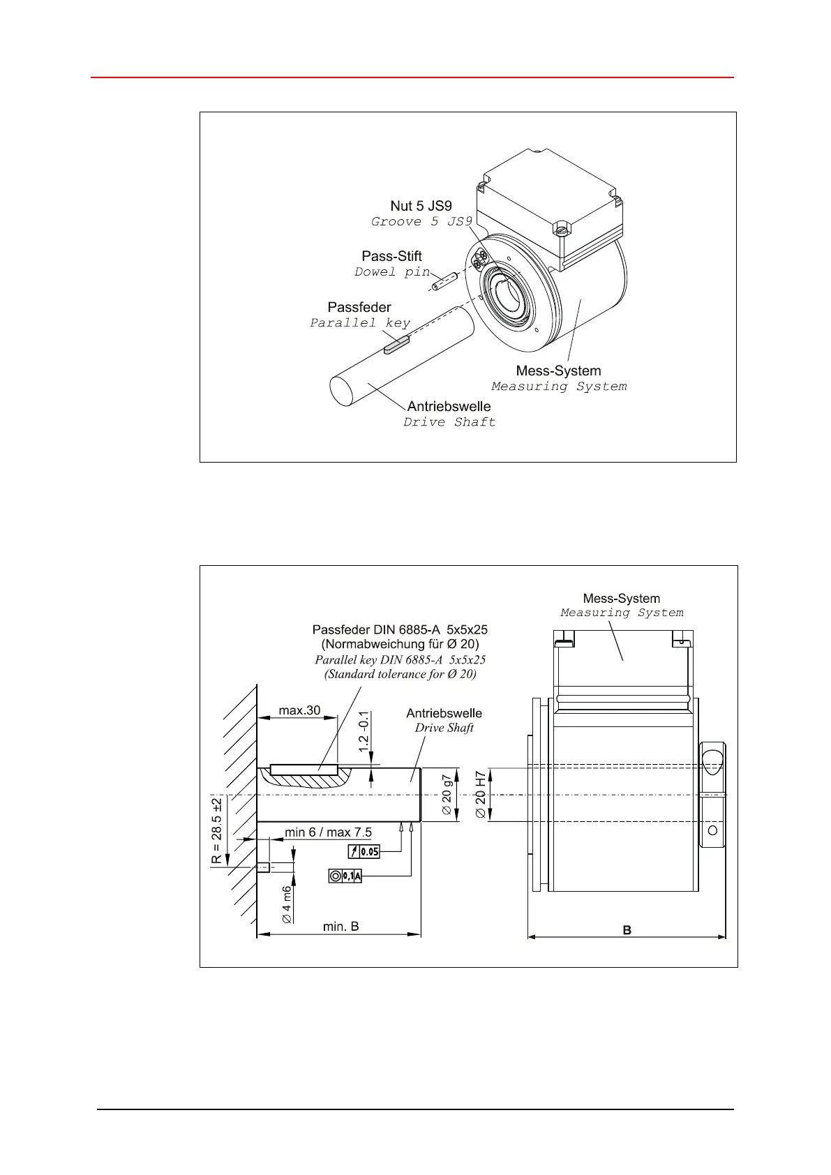
Abbildung 5: Formschluss
Abbildung 6: Anforderungen an die Wellenaufnahme

Table of Contents

Other manuals for TR-Electronic CDH 75 M

Related product manuals