EasyManua.ls Logo

TR-Electronic CDH 75 M - Signal Characteristics of SIN;COS Interface

TR-Electronic CDH 75 M
Print Icon
To Next Page IconTo Next Page
To Next Page IconTo Next Page
To Previous Page IconTo Previous Page
To Previous Page IconTo Previous Page
Loading...
Printed in the Federal Republic of Germany TR-Electronic GmbH 2009, All Rights Reserved
12/13/2018 TR - ECE - BA - DGB - 0070 - 17 Page 95 of 108
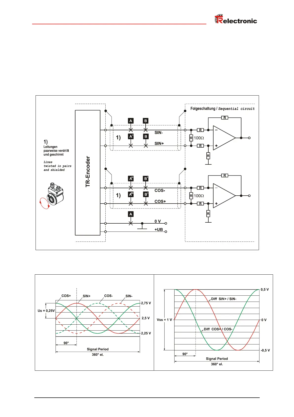
5.6.2 Signal characteristics of SIN/COS interface
Definitions:
Vss = 1 V (0.8…1.2)
Reference voltage: inverted signals to SIN/COS
Number of periods per revolution = 4096
Figure 12: Recommended receiver circuit
Measurement of signals against 0 V, measuring points A: Differential measurement, measuring points B:
Figure 13: SIN/COS level definition

Table of Contents

Other manuals for TR-Electronic CDH 75 M

Related product manuals