EasyManua.ls Logo

Upright SB80 - Page 130

Upright SB80
186 pages
Print Icon
To Next Page IconTo Next Page
To Next Page IconTo Next Page
To Previous Page IconTo Previous Page
To Previous Page IconTo Previous Page
Loading...
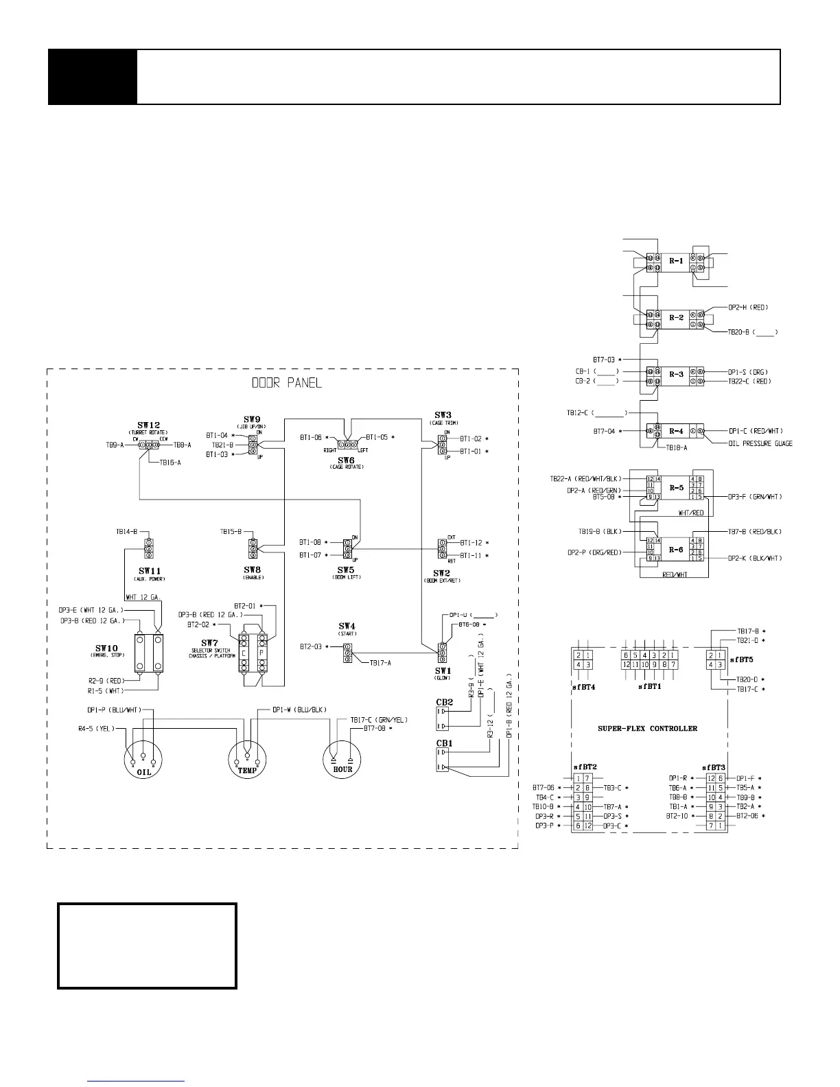
6-46 SB80 Work Platform - European
I
LLUSTRATED
P
ARTS
B
REAKDOWN
Section
6.1
Lower Controller
Assembly, Diesel
Drawing 2 of 2

Table of Contents

Related product manuals