EasyManua.ls Logo

Upright SB80 - Figure 3-11: Hydraulic Manifold, Exploded View

Upright SB80
186 pages
Print Icon
To Next Page IconTo Next Page
To Next Page IconTo Next Page
To Previous Page IconTo Previous Page
To Previous Page IconTo Previous Page
Loading...
3-10 SB80 Work Platform - European
M
AINTENANCE
Section
3.9
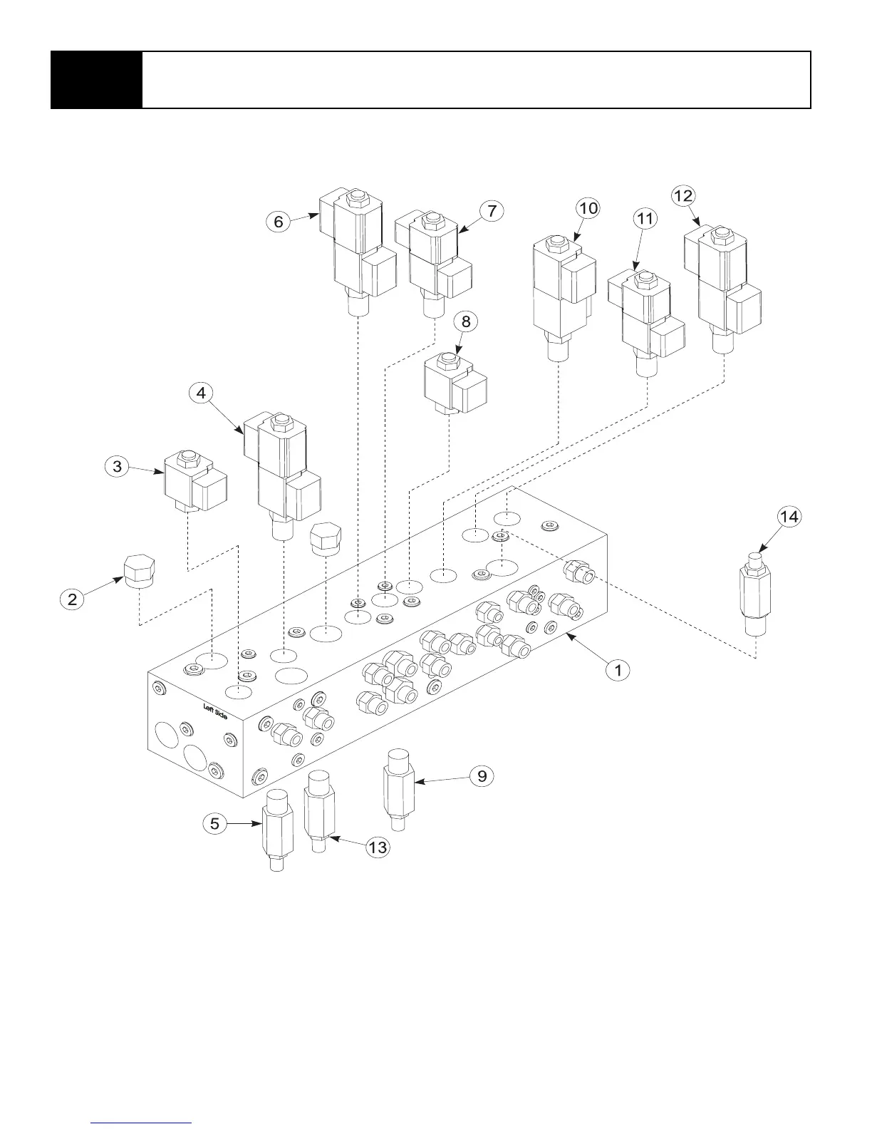
Figure 3-11: Hydraulic Manifold, Exploded View
1. Valve Block
2. Compensator
3. Dump Valve
4. Boom Extend
5. Boom Extend Relief
6. Boom Lift
7. Swing Turret
8. Boom Power
9. Swing relief
10.Platform Level
11. Steering
12. Axle Extend
13.Dump Relief
14. Crossline Relief

Table of Contents

Related product manuals