EasyManua.ls Logo

Upright SB80 - Page 173

Upright SB80
186 pages
Print Icon
To Next Page IconTo Next Page
To Next Page IconTo Next Page
To Previous Page IconTo Previous Page
To Previous Page IconTo Previous Page
Loading...
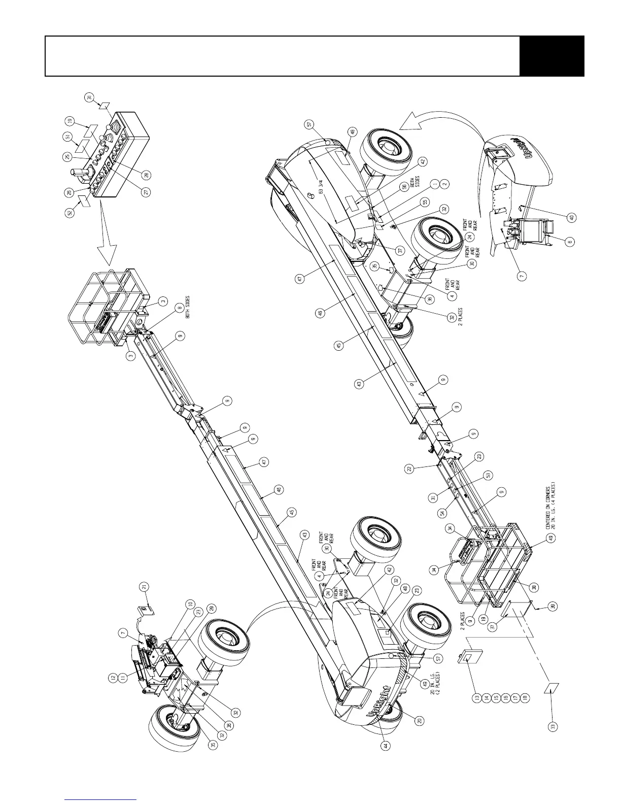
SB80 Work Platform - European 6-89
I
LLUSTRATED
P
ARTS
B
REAKDOWN
Section
6.1

Table of Contents

Related product manuals