EasyManua.ls Logo

Vertiv Liebert CRV - Page 176

Vertiv Liebert CRV
194 pages
Print Icon
To Next Page IconTo Next Page
To Next Page IconTo Next Page
To Previous Page IconTo Previous Page
To Previous Page IconTo Previous Page
Loading...
REV : 5
REV DATE : 1/17
DPN002841
Page :1 /2
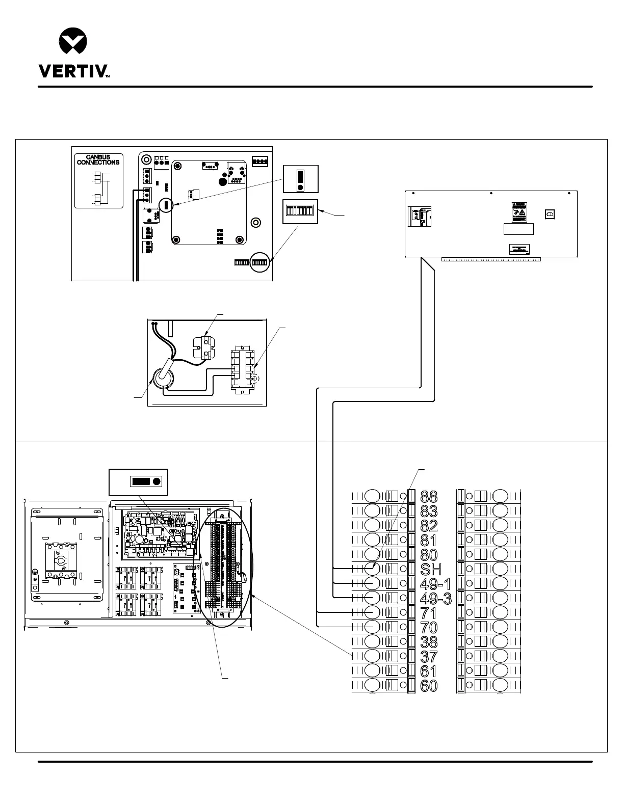
BETWEEN 600mm (24in.) UNIT & LIEBERT MC CONDENSER (PREMIUM)
Form No.: DPN001040_REV4
CANbus & INTERLOCK CONNECTIONS
LIEBERT CRV
1
INPUT
2
3
CAN H
TB50
OUTPUT
1
2
3
TB49
CAN L
CONDENSER
70
71
230
SH
1
INPUT
2
3
CAN H
TB50
OUTPUT
1
2
3
TB49
CAN L
HL
HL
B A
31
D58
P80
J6
TB50
J4
TB49
P15
BOOT
SYS A PP
PSWD
31
CAN
ON
SW6
1
DETAIL1
CAN CABLE CONNECTION (A)
HEAT REJECTION INTERLOCK (B)
A
B
SW6
ON
CAN
31
J6
SHIELD CONNECTION
LOW VOLTAGE FIELD ENTRANCE
LOCATED ON BOTTOM LEFT OF
CONDENSER ENCLOSURE.
FACTORY WIRING BETWEEN
MC CONTROL BOARD AND
TERMINAL STRIP.
P78 TERMINATION JUMPER
FACTORY SET TO PINS 2 AND 3,
FIELD MUST REMOVE JUMPER
AND REPLACE ON PINS 1 AND 2.
J6 TERMINATION JUMPER
MUST BE SET TO PINS 1 AND 2.
CANbus
ADDRESSING
SWITCH
HEAT REJECTION INTERLOCK WIRE
CANBUS COMMUNICATION CABLE
31
P78
B
A
PARTIAL VIEW SHOWN FOR CLARITY
FACTORY WIRING BETWEEN
ICOM & TERMINAL STRIP
PARTIAL VIEW SHOWN FOR CLARITY
SHIELDED CONNECTION

Table of Contents

Other manuals for Vertiv Liebert CRV

Related product manuals