EasyManua.ls Logo

Vertiv Liebert CRV - Page 181

Vertiv Liebert CRV
194 pages
Print Icon
To Next Page IconTo Next Page
To Next Page IconTo Next Page
To Previous Page IconTo Previous Page
To Previous Page IconTo Previous Page
Loading...
REV : 2
REV DATE : 1/17
DPN003039
Page :1 /1
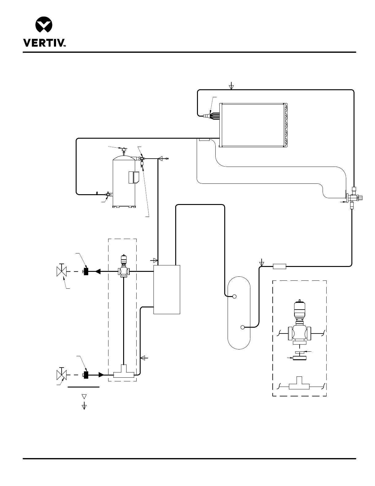
300mm (12in.) WATER/GLYCOL COOLED MODELS
Form No.: DPN001040_REV4
GENERAL ARRANGEMENT DIAGRAM
LIEBERT CRV
FACTORY REFRIGERANT PIPING
SERVICE / SCHRADER (ACCESS) CONNECTION NO VALVE CORE
SERVICE / SCHRADER (ACCESS) CONNECTION WITH VALVE CORE
Evaporator Coil
Digital
Scroll
Compressor
Rotalock Valve
Rotalock Valve
High Pressure Switch
High Pressure
Transducer
Digital
Solenoid
Valve
Water
Cooled
Brazed
Plate
Condenser
3-Way Valve
Configuration
AB
B
A
Water/Glycol Return
(see note 3)
Water/Glycol Supply
(see note 3)
Tank
Filter
Drier
Expansion
Valve
Blocker
Disk
Valve
Fitting
2-Way Valve
Configuration
A
AB
B
Sensing
Bulb
External Equalizer
Distributor
Low Pressure
Transducer
NOTES:
1. SCHEMATIC REPRESENTATION SHOWN. DO NOT USE FOR SPECIFIC CONNECTION LOCATIONS.
2. INSTALL A 20 MESH STRAINER, IN AN EASILY ACCESSIBLE LOCATION, ON THE WATER/GLYCOL SUPPLY TO PREVENT PARTICLES
FROM ENTERING THE HEAT EXCHANGER. STRAINER BYPASS VALVES ARE RECCOMENDED TO ALLOW THE STRAINER TO BE
CLEANED WHILE MAINTAINING FLOW TO THE COOLING UNIT.
3. UNIT CONNECTIONS MAY BE ORDERED TOP OR BOTTOM.
4. VALVE NOT PROVIDED BY LIEBERT BUT ARE REQUIRED FOR PROPER CIRCUIT OPERATION AND MAINTENANCE. THEY SHOULD
BE LOCATED NEAR THE LIEBERT CRV300 UNIT.
SEE NOTE 4
SEE NOTE 4

Table of Contents

Other manuals for Vertiv Liebert CRV

Related product manuals