EasyManua.ls Logo

VYBO Electric Vector V800 - Page 27

VYBO Electric Vector V800
221 pages
Print Icon
To Next Page IconTo Next Page
To Next Page IconTo Next Page
To Previous Page IconTo Previous Page
To Previous Page IconTo Previous Page
Loading...
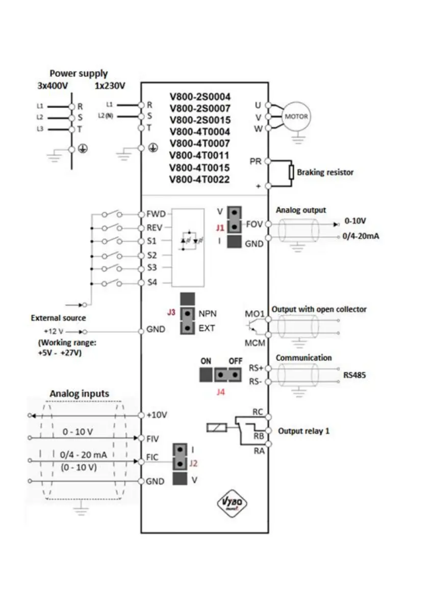
Chapter 2 Installation and wiring
21
NPN External source

Table of Contents

Related product manuals