EasyManua.ls Logo

VYBO Electric Vector V800 - Page 33

VYBO Electric Vector V800
221 pages
Print Icon
To Next Page IconTo Next Page
To Next Page IconTo Next Page
To Previous Page IconTo Previous Page
To Previous Page IconTo Previous Page
Loading...
Chapter 2 Installation and wiring
27
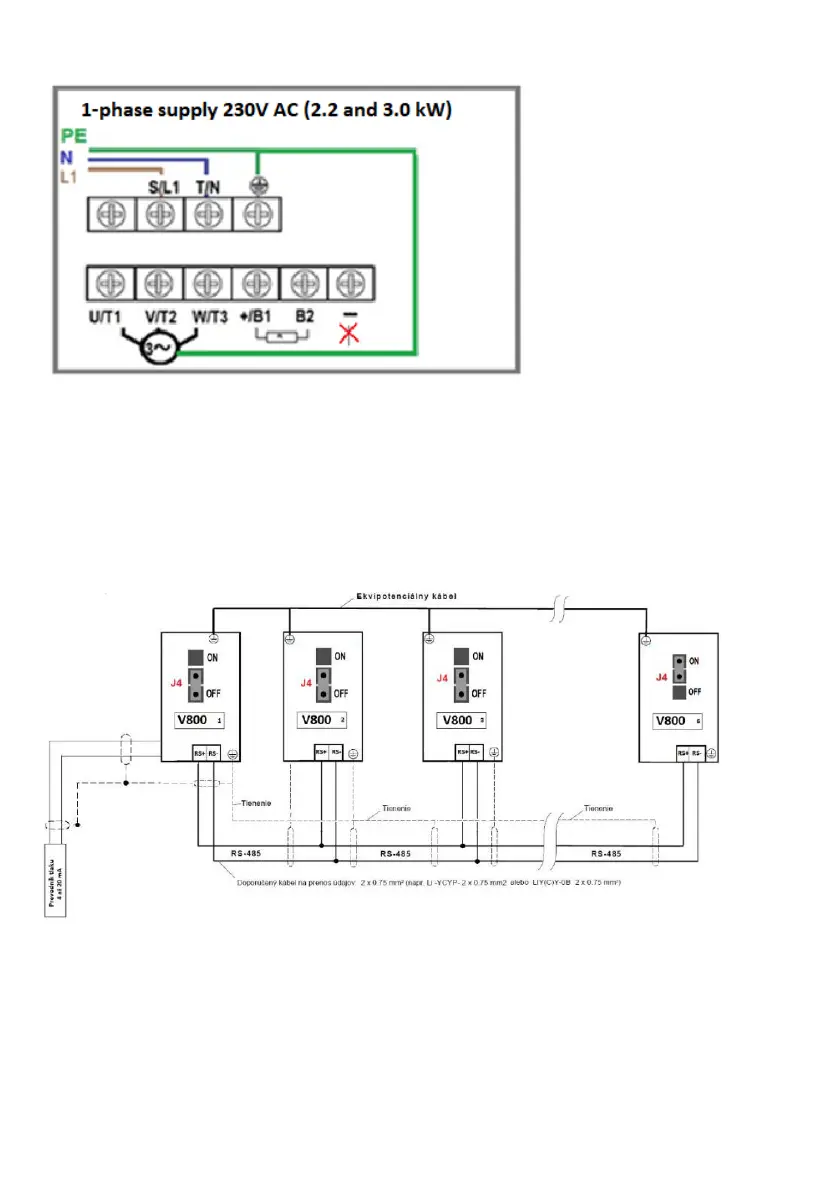
Practical connection of frequency converters V800-2S0022 and V800-2S0030...Type S
WARNING! Never connect the -DC intermediate circuit terminal
to ground!
An example of connecting inverter control via RS485. For end FM, switch J4 to ON.

Table of Contents

Related product manuals