EasyManua.ls Logo

VYBO Electric Vector V800 - Page 37

VYBO Electric Vector V800
221 pages
Print Icon
To Next Page IconTo Next Page
To Next Page IconTo Next Page
To Previous Page IconTo Previous Page
To Previous Page IconTo Previous Page
Loading...
Chapter 2 Installation and wiring
31
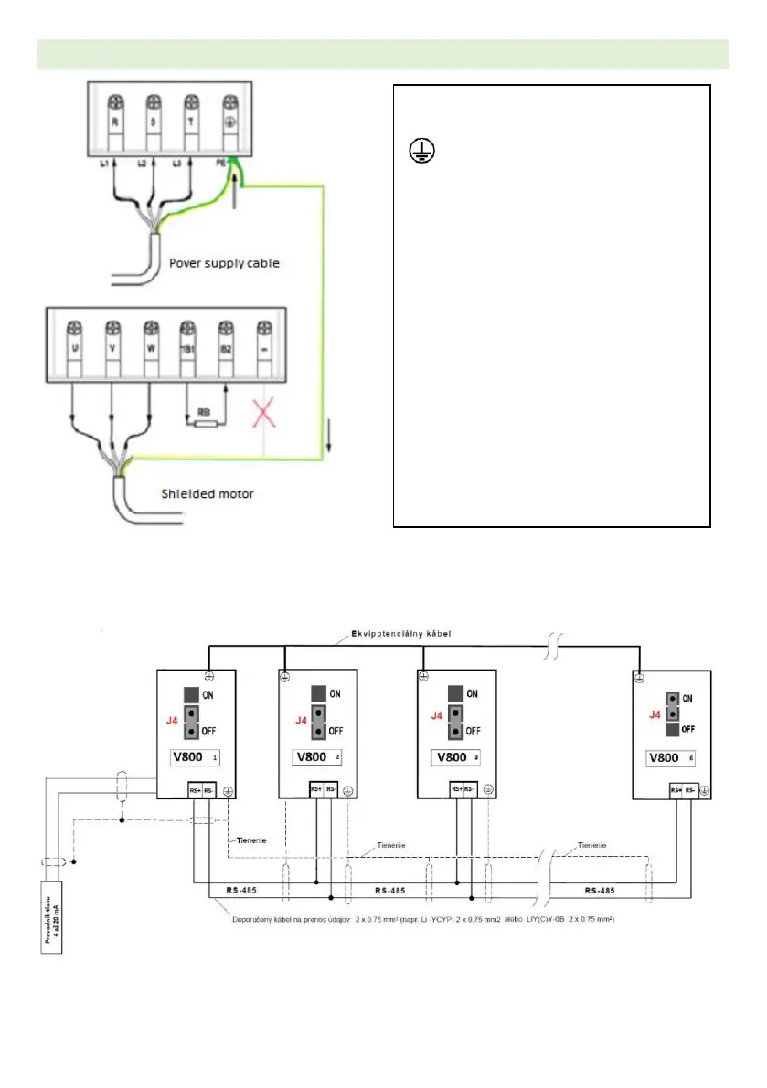
Connection of power part V800-4T0030 to 4T0150
An example of connecting inverter control via RS485. For end FM, switch J4 to ON.
The R/S/T terminals are used to
connect the power cable. The terminal
is common both for the supply and
for the powered motor.
Terminals U/V/W are used to connect
the electric motor, they are output
terminals.
Terminals of the DC intermediate
circuit +/B1 and B2 are used to
connect the braking resistor (resistor).
WARNING! Never connect
the - DC intermediate
circuit terminal to ground!

Table of Contents

Related product manuals