EasyManua.ls Logo

WEG CFW500 - Page 114

WEG CFW500
185 pages
Print Icon
To Next Page IconTo Next Page
To Next Page IconTo Next Page
To Previous Page IconTo Previous Page
To Previous Page IconTo Previous Page
Loading...
CFW500 | 109
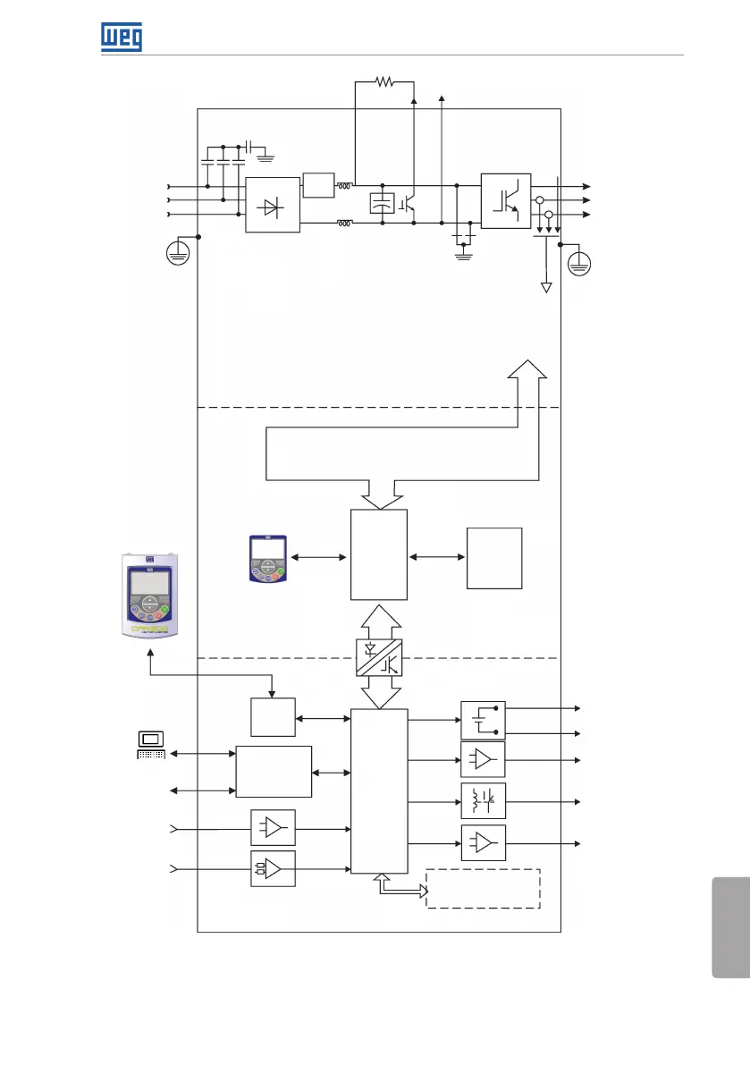
Informações Gerais
PortuguêsPortuguês
Entrada
analógica
(AI1)
(*)
Entradas
digitais
(DI1 a DI4)
(*)
Fontes para eletrônica e interfaces
entre potência e controle
RS485
Potência
Resistor de frenagem (opcional)
Motor
U/T1
V/T2
W/T3
Inversor com
transistores
IGBT
Rede de
alimentação
R/L1/L
S/L2/N
T/L3
Banco capacitores Link DC
IGBT de frenagem (disponível
nos Inversores CFW500...DB...)
HMI
CPU
32 bits
"RISC"
EEPROM
(memória)
Cartão
Plug-in do
usuário
Interfaces
(RS232,
RS485
ou USB)
Saída analógica (AO1)
(*)
Fonte 24 V
Fonte 10 V
Saída digital DO1 (RL1)
Saída digital DO2 (TR)
(*)
HMI (remota)
Realimentação:
- tensão
- corrente
PE
PE
Caro de memória
(MCard)
Acessório
Controle
Controle
Plug-in padrão
= Interface homem-máquina
Pré-
carga
Retificador
trifásico
MODBUS
Software WLP
SUPERDRIVE
(*)
PC
+UD BR -UD
Indutores Link DC
Filtro RFI
= conexão Link DC
= conexão para resistor de frenagem
(*) O número de entradas/saídas analógicas/digitais, bem como outros recursos, podem sofrer variações de acordo com o módulo plug-in utilizado.
Para mais informações, consulte o guia fornecido com o acessório.
Figura 2.3: Blocodiagrama do CFW500 para mecânica F

Table of Contents

Other manuals for WEG CFW500

Related product manuals