EasyManua.ls Logo

WEG CFW500 - Page 113

WEG CFW500
185 pages
Print Icon
To Next Page IconTo Next Page
To Next Page IconTo Next Page
To Previous Page IconTo Previous Page
To Previous Page IconTo Previous Page
Loading...
108 | CFW500
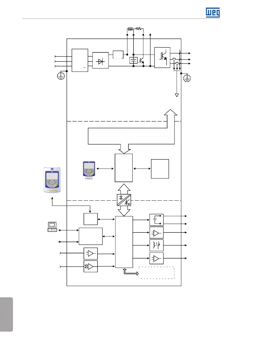
Informações Gerais
PortuguêsPortuguês
Entrada analógica
(AI1)
(*)
Entradas digitais
(DI1 a DI4)
(*)
Fontes para eletrônica e interfaces
entre potência e controle
RS485
PC
Potência
Retificador
trifásico/monofásico
Filtro RFI
interno
(disponível
nos
inversores
CFW500...C...)
Motor
U/T1
V/T2
W/T3
+UD
-UD
BR
Inversor com
transistores IGBT
Rede de
alimentação
R/L1/L
S/L2/N
T/L3
= conexão Link DC
Indutor do Link CC (opcional)
Resistor de frenagem (opcional)
= conexão para resistor de frenagem
Pré-
carga
Software WLP
SUPERDRIVE
(*)
MODBUS
Banco capacitores Link DC
IGBT de frenagem (disponível nos
Inversores CFW500...DB...)
HMI
CPU
32 bits
"RISC"
EEPROM
(memória)
Cartão
Plug-in do
usuário
Interfaces
(RS232,
RS485
ou USB)
Saída
analógica
(AO1)
(*)
Fonte 24 V
Fonte 10 V
Saída digital
DO1 (RL1)
Saída digital
DO2 (TR)
(*)
HMI (remota)
Realimentação:
- tensão
- corrente
PE
PE
Caro de memória
(MCard)
Acessório
Controle
Controle
Plug-in padrão
= Interface homem-máquina
(*) O número de entradas/saídas analógicas/digitais, bem como outros recursos, podem sofrer variações de acordo com o módulo plug-in utilizado.
Para mais informações, consulte o guia fornecido com o acessório.
Figura 2.2: Blocodiagrama do CFW500 para mecânicas D e E

Table of Contents

Other manuals for WEG CFW500

Related product manuals