EasyManua.ls Logo

WEG SSW7000 - Page 44

WEG SSW7000
86 pages
Print Icon
To Next Page IconTo Next Page
To Next Page IconTo Next Page
To Previous Page IconTo Previous Page
To Previous Page IconTo Previous Page
Loading...
SSW7000 | 5-20
Installation and Connection
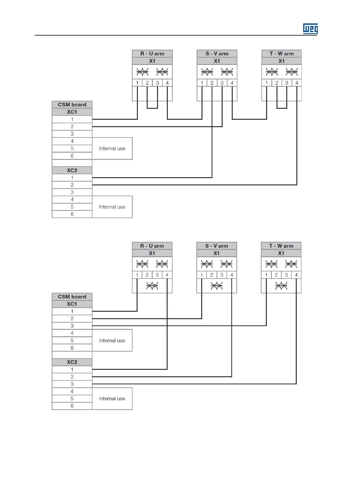
Figure 5.23: Insulated supply connections between the CSM2 board and the power arms of the model 4160 V (V2).
Figure 5.24: Insulated supply connections between the CSM2 board and the power arms of the model 6900 V (V2).

Table of Contents

Other manuals for WEG SSW7000

Related product manuals