EasyManua.ls Logo

Xerox WorkCentre 3225

Xerox WorkCentre 3225
186 pages
To Next Page IconTo Next Page
To Next Page IconTo Next Page
To Previous Page IconTo Previous Page
To Previous Page IconTo Previous Page
Loading...
Xerox
®
WorkCentre
®
3215/3225 Multifunction Printer Service Documentation
June 2014
BSDs
1
2
3
4
5
6
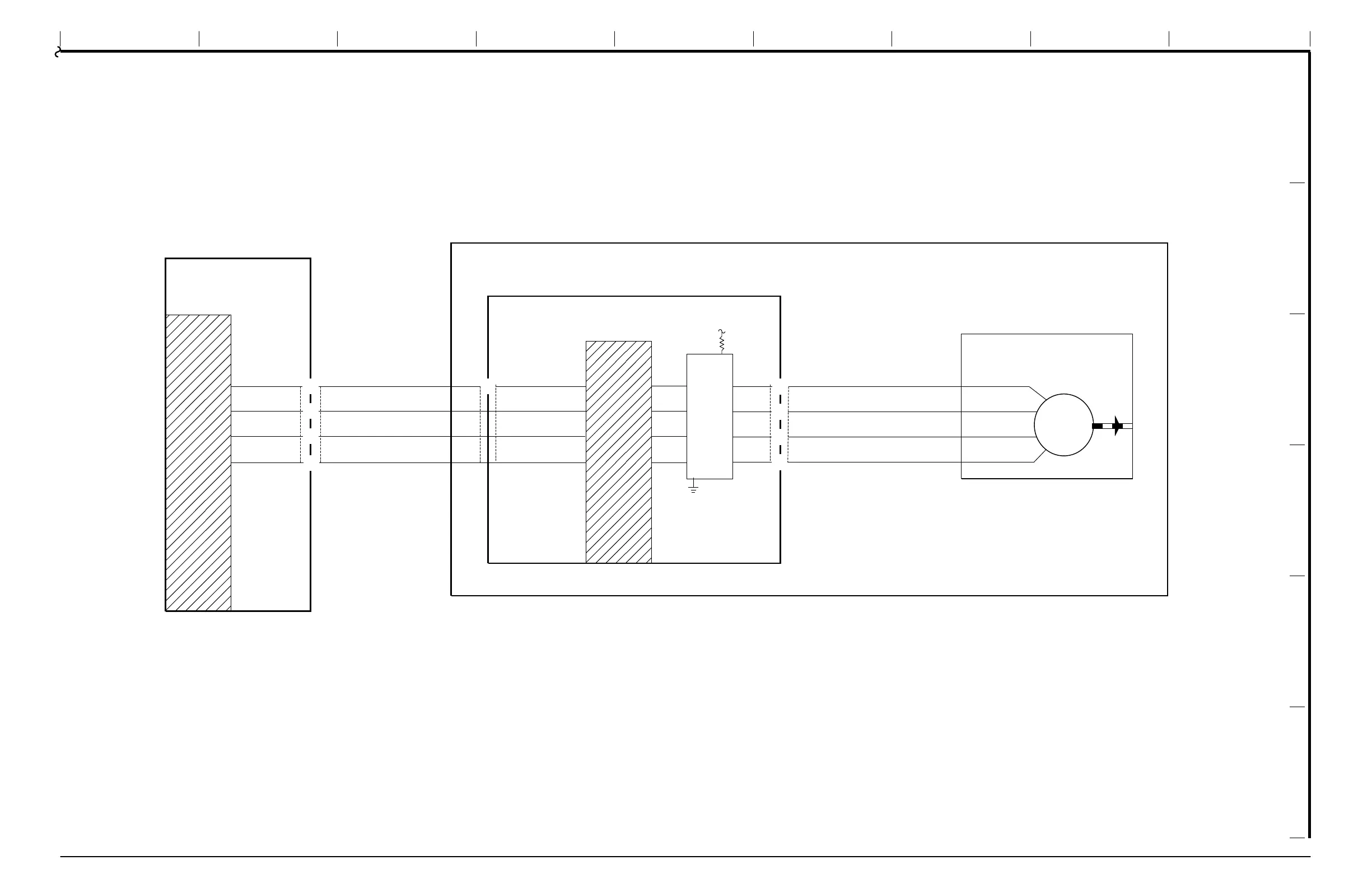
5.1B
PL 4.1
MAIN PWB
ADF PWB
ADF DRIVE MOTOR
4
PHASE A
PHASE B
PHASE C
PHASE D
3
MOT
2
+24 VDC
MOTOR
DRIVER
7-6
K L M N P R S T U
5.1B AUTOMATIC DOCUMENT FEEDER (2 OF 2)
1
J15 P15
3
4
1
2
PHASE A
PHASE B
PHASE C
PHASE D
1
PL 1.1
ADF MODULE

Table of Contents

Other manuals for Xerox WorkCentre 3225

Related product manuals