EasyManua.ls Logo

Yamaha EF2600D - Page 116

Yamaha EF2600D
236 pages
Print Icon
To Next Page IconTo Next Page
To Next Page IconTo Next Page
To Previous Page IconTo Previous Page
To Previous Page IconTo Previous Page
Loading...
- 107 -
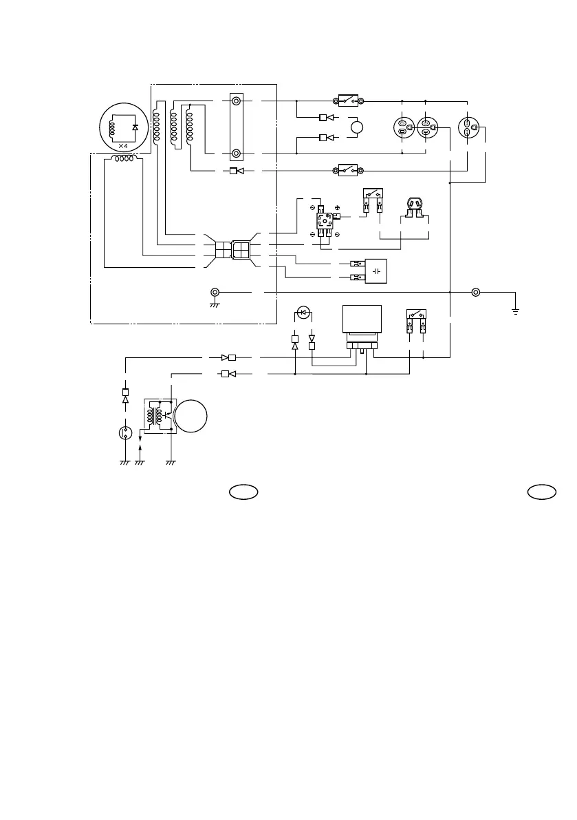
AE00751
WIRING DIAGRAM
1 Stator assembly
2 Rotor assembly
3 DC coil
4 Main coil
5 Sub coil
6 Voltmeter
7 AC switch (N.F.B.)
8 AC receptacle
9 DC receptacle
0 DC protector
q DC rectifier
w Condenser
e Ground (earth) terminal
r Engine switch
t Oil warning unit
y Oil warning light
u Oil level switch
i T.C.I. unit
o Spark plug
B
B
B
B
B
B
B
Y
G
G
Y
Y
Y
Y
Y
Y
G
G
G
G
Y Y
Y
Y
W
W WB
GG GG
YL
Br Br
G/Y
G/Y
G/Y
BrBrBr
Br
R
V
RR
R R
L
L
L
L
B/W
B/W
B/W
B/W B/W
B/W
770-048b
1
2
3
4
5
6
7
8
9
0
q
e
w
r
t
y
u
i
7
8
8
o
Color code
B Black
Br Brown
G Green
L Blue
R Red
W White
Y Yellow
B/W Black/White
G/Y Green/Yellow
E F
AF00751
SCHÉMA DE CÂBLAGE
1 Générateur
2 Turbine
3 Bobine CC
4 Bobine principale
5 Bobine secondaire
6 Voltmètre
7 Contacteur CA (rupteur sans fusible)
8 Prise CA
9 Prise CC
0 Protection CC
q Redresseur CC
w Condensateur
e Borne de masse (terre)
r Contacteur du moteur
t Système avertisseur de niveau d’huile
y Témoin d’avertissement d’huile
u Contacteur de niveau d’huile
i Dispositif TCI
o Bougie
Code de couleur
B Noir
Br Brun
G Vert
L Bleu
R Rouge
W Blanc
YJaune
B/W Noir/Blanc
G/Y Vert/Jaune
EF2600D
7C3-F8199-U0A0_p69-108 12/1/30 4:08 PM Page 107

Table of Contents

Related product manuals