EasyManua.ls Logo

Yamaha EF2600D - Wiring Diagram; Schéma de Câblage

Yamaha EF2600D
236 pages
Print Icon
To Next Page IconTo Next Page
To Next Page IconTo Next Page
To Previous Page IconTo Previous Page
To Previous Page IconTo Previous Page
Loading...
- 105 -
AE00751
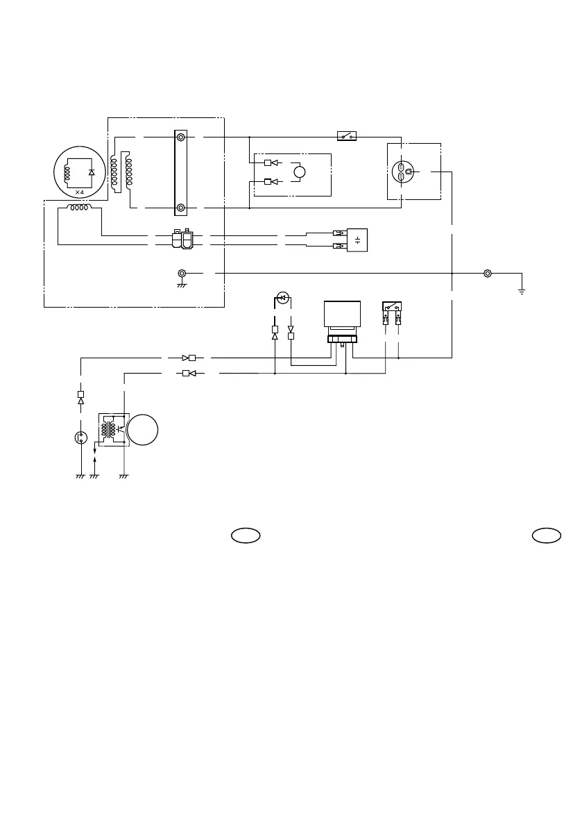
WIRING DIAGRAM
1 Stator assembly
2 Rotor assembly
3 Main coil
4 Sub coil
5 Voltmeter
6 AC switch (N.F.B.)
7 AC receptacle
8 Condenser
9 Ground (earth) terminal
0 Engine switch
q Oil warning unit
w Oil warning light
e Oil level switch
r T.C.I. unit
t Spark plug
B
B
B
B
B
B
L
Y
G
G
G
V
G
G
G
G
G
G
G
YL
Br
Br
Br
G/Y
G/Y
R
Br
R
G/Y
R R
B/W
B/WB/W
B/W
B/W
B/W
770-048a
1
2
3
4
5
6
7
8
9
0
w
q
e
r
t
Color code
B Black
Br Brown
G Green
L Blue
R Red
Y Yellow
B/W Black/White
G/Y Green/Yellow
E F
AF00751
SCHÉMA DE CÂBLAGE
1 Générateur
2 Turbine
3 Bobine principale
4 Bobine secondaire
5 Voltmètre
6 Contacteur CA (rupteur sans fusible)
7 Prise CA
8 Condensateur
9 Borne de masse (terre)
0 Contacteur du moteur
q Système avertisseur de niveau d’huile
w Témoin d’avertissement d’huile
e Contacteur de niveau d’huile
r Dispositif TCI
t Bougie
Code de couleur
B Noir
Br Brun
G Vert
L Bleu
R Rouge
YJaune
B/W Noir/Blanc
G/Y Vert/Jaune
EF2600
7C3-F8199-U0A0_p69-108 12/1/30 4:08 PM Page 105

Table of Contents