EasyManua.ls Logo

Yamaha EF7000 - CIRCUIT DIAGRAM

Yamaha EF7000
178 pages
Print Icon
To Next Page IconTo Next Page
To Next Page IconTo Next Page
To Previous Page IconTo Previous Page
To Previous Page IconTo Previous Page
Loading...
5-4
ELEC
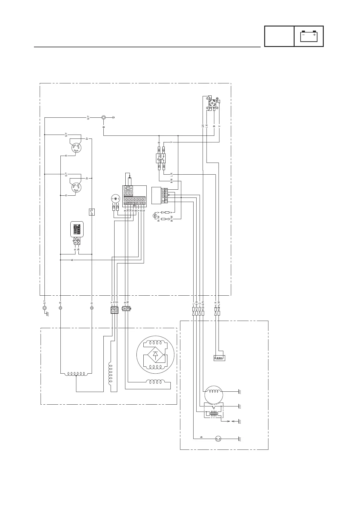
CIRCUIT DIAGRAM
2
3
5
6
1
7
8
9
0 0
q
e
r
y
u
o
p
a
i
s
d
t
4
w
CIRCUIT DIAGRAM
EF7000/EF7200
1 Generator
2 Rotor assembly
3 Exciter field coil
4 Sub coil
5 Main coil
6 Stator assembly
7 Control box
8 Voltage/hour meter
9 AC switch (N.F.B.)
0 AC receptacle
q Rectifier
w Engine switch
e Voltage adjuster
r Condenser
t AVR (Automatic Voltage
Regulator)
y Oil warning unit
u Oil warning light
i Engine
o Fuel cut solenoid valve
p Charging coil
a TCI unit
s Spark plug
d Oil level switch
Color code
B Black
Br Brown
G Green
L Blue
Lg Light green
O Orange
R Red
W White
Y Yellow
B/W Black/White
G/R Green/Red
G/Y Green/Yellow
L/R Blue/Red
L/W Blue/White
R/G Red/Green

Table of Contents

Related product manuals