EasyManua.ls Logo

Yamaha F90D - Page 103

Yamaha F90D
241 pages
Print Icon
To Next Page IconTo Next Page
To Next Page IconTo Next Page
To Previous Page IconTo Previous Page
To Previous Page IconTo Previous Page
Loading...
POWR
Power unit
5-37
6D81G11
5
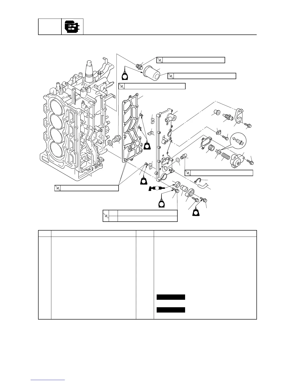
No. Part name Qty Remarks
18 Plug 1 M18
×
17 mm
19 Grommet 1
20 Anode 1
21 Cover 1
22 Bolt 1 M8
×
25 mm
23 Bolt 18 M6
×
30 mm
24 Bolt 1 M6
×
20 mm
25 Joint 1
26 Oil filter 1
27 Gasket 1
Not reusable
28 Plug 1 M14
×
12 mm
29 Plastic tie 1
Not reusable
30 Hose 1
S6D85090
23
18
5
6
7
14
12
11
19
20
21
24
22
4
1
27
28
15
16
13
9
10
8
E
E
AA
LT
271
T
R
.
.
23 N
m (2.3 kgf
m, 17.0 ft
Ib)
17
2
3
2
2
3
3
25
26
T
R
.
.
49 N
·
m (4.9 kgf
·
m, 36.1 ft
·
Ib)
T
R
.
.
55 N
·
m (5.5 kgf
·
m, 40.6 ft
·
Ib)
29
30
T
R
.
.
1 6 N
·
m (0.6 kgf
·
m, 4.4 ft
·
lb)
2 12 N
·
m (1.2 kgf
·
m, 8.9 ft
·
lb)
LT
271
T
R
.
.
2 N
·
m (0.2 kgf
·
m, 1.5 ft
·
Ib)
LT
271
T
R
.
.
18 N
·
m (1.8 kgf
·
m, 13.3 ft
·
Ib)

Table of Contents

Related product manuals