EasyManua.ls Logo

Yamaha F90D - Ecm

Yamaha F90D
241 pages
Print Icon
To Next Page IconTo Next Page
To Next Page IconTo Next Page
To Previous Page IconTo Previous Page
To Previous Page IconTo Previous Page
Loading...
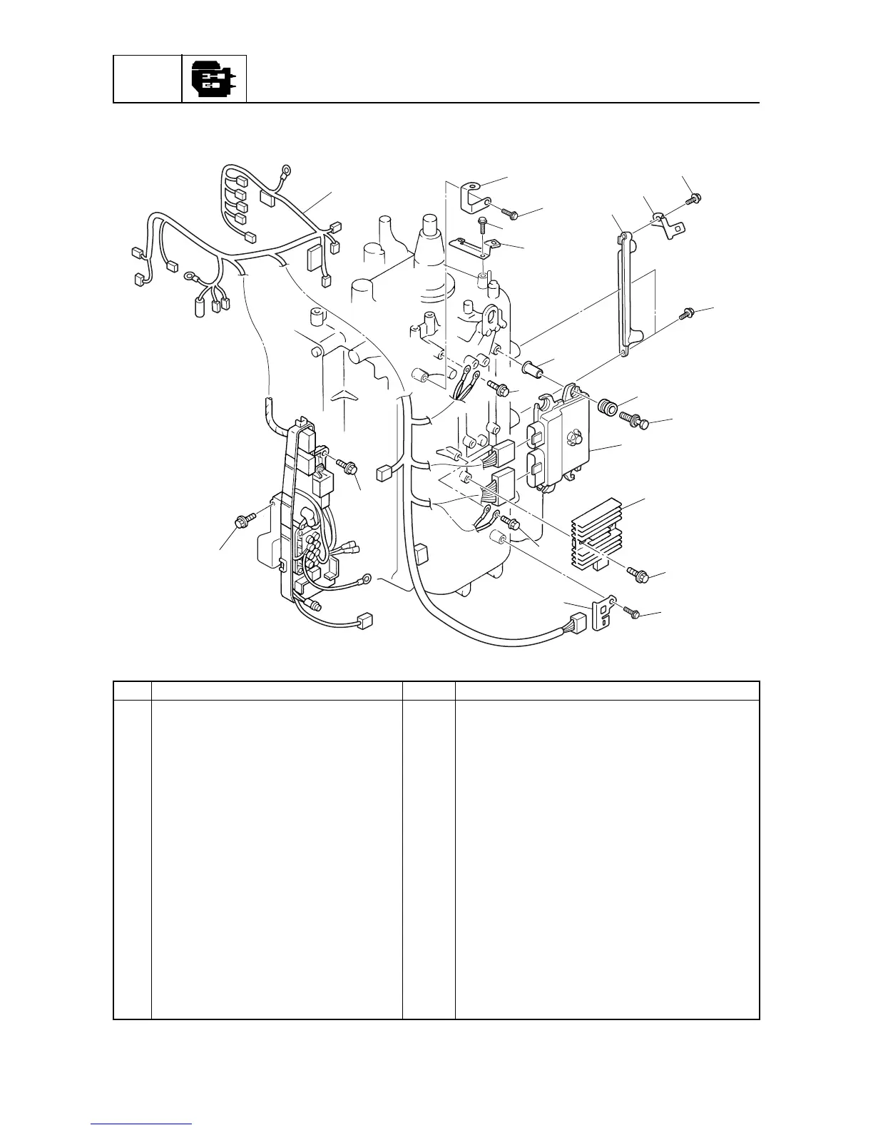
POWR
Power unit
5-21
6D81G11
ECM
5
No. Part name Qty Remarks
1 Wiring harness 1
2Bracket 1
3Bolt 2 M6
×
15 mm
4Bolt 2 M6
×
12 mm
5Bracket 1
6Bracket 1
7Bracket 1
8Bolt 2 M6
×
20 mm
9 Collar 4
10 Grommet 4
11 Bolt 4 M6
×
30 mm
12 ECM 1
13 Rectifier Regulator 1
14 Bolt 2 M6
×
25 mm
15 Bolt 2 M6
×
20 mm
16 Bracket 1
17 Bolt 5 M6
×
30 mm
S6D85050
1
2
3
4
5
3
8
9
10
11
12
13
14
4
16
17
17
15
7
6
15

Table of Contents

Related product manuals